lemon-mirror:
Home >> Mazda >> 1995 >> 929 V6-3.0L DOHC >> Repair and Diagnosis >> Powertrain Management >> Computers and Control Systems >> Relays and Modules - Computers and Control Systems >> Engine Control Module >> Testing and Inspection >> ECM Pin Tests

ECM Pin Tests


Inspection






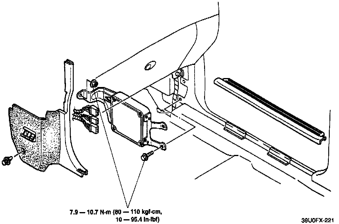
1. Remove the scuff plate (passenger side) and the front side trim (passenger side).
2. Remove the engine control module (ECM) bolts and nuts.






3. Connect the special service tool (SST) to the ECM as shown. Use connector "A" of the adapter to measure voltage at terminals "1A" through "1V" and "3A" through "3Z", and use connector "B" to measure voltage at terminals "2A" through "2P".






4. Place the SST (Sheet: 64-pin type) on the SST (Engine Signal Monitor).
5. Measure the voltage at each terminal.
6. If any ECM terminal voltage is incorrect, check the input or output device and related wiring. If they are normal, replace the ECM.





CAUTION: Applying voltage to SST terminals A and B will damage the SST.

NOTE: If the tires are rotated by using a chassis roller with the ignition switch at ON, the Antilock Brake System (ABS) control module may memorize the action as a malfunction and the ABS warning light may illuminate. If the ignition switch is turned to LOCK and then to ON again, the ABS warning light will not illuminate, because the action will be considered a past malfunction.