lemon-mirror:
Home >> Mazda >> 1994 >> RX7 2RTR-1308cc 80 >> Repair and Diagnosis >> Powertrain Management >> Computers and Control Systems >> Engine Control Module >> Service and Repair

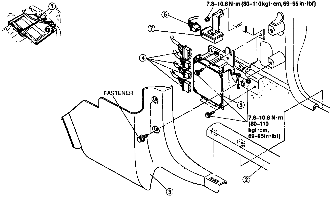
Engine Control Module: Service and Repair





Removal/ Installation
1. Remove in the order shown in the figure.
2. Install in the reverse order of removal.

1. Battery cable
2. Scuff plate
3. Front side trim
4. Connectors
5. Powertrain control module engine (PCME)
6. Connector
7. Electrical load (E/L) unit