lemon-mirror:
Home >> Mazda >> 1994 >> RX7 2RTR-1308cc 80 >> Repair and Diagnosis >> Diagrams >> Electrical Diagrams >> Powertrain Management >> Computers and Control Systems >> Body Control Module

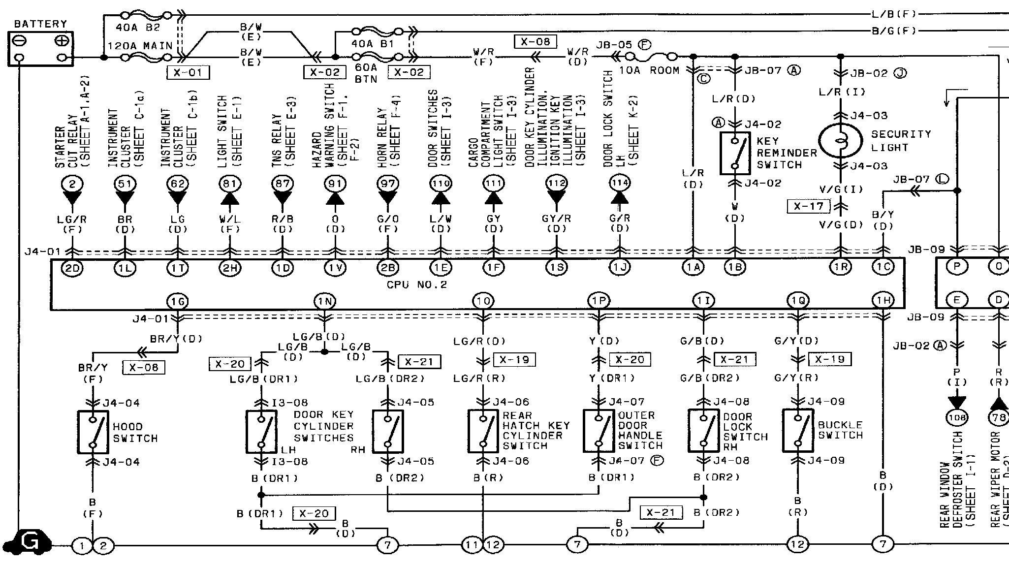
Body Control Module

HCentral Processing Unit (CPU), Theft-Deterrent System: