lemon-mirror:
Home >> Mazda >> 1994 >> 929 V6-3.0L DOHC >> Repair and Diagnosis >> Diagrams >> Exploded Views >> Distributor, Ignition

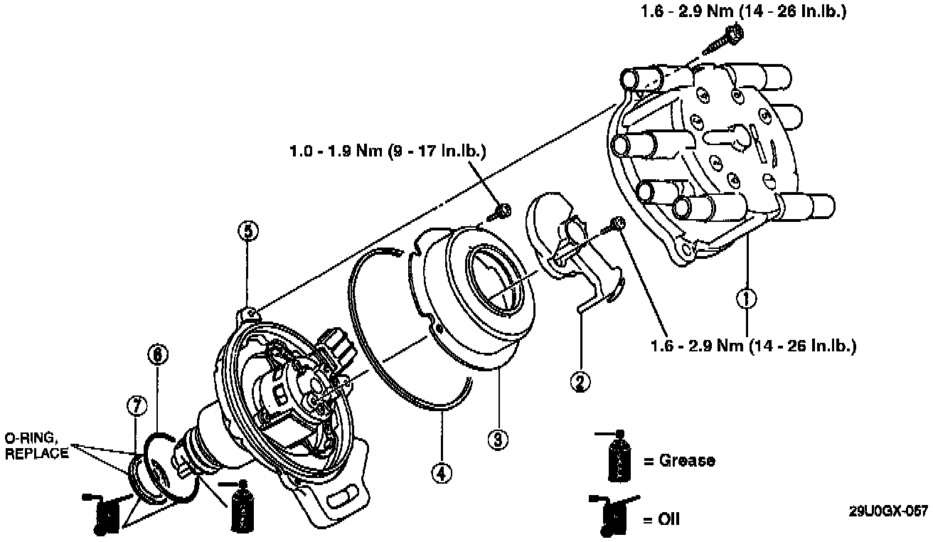
Distributor, Ignition