lemon-mirror:
Home >> Mazda >> 1993 >> RX7 2RTR-1308cc 80 >> Repair and Diagnosis >> Powertrain Management >> Computers and Control Systems >> Engine Control Module >> Service and Repair

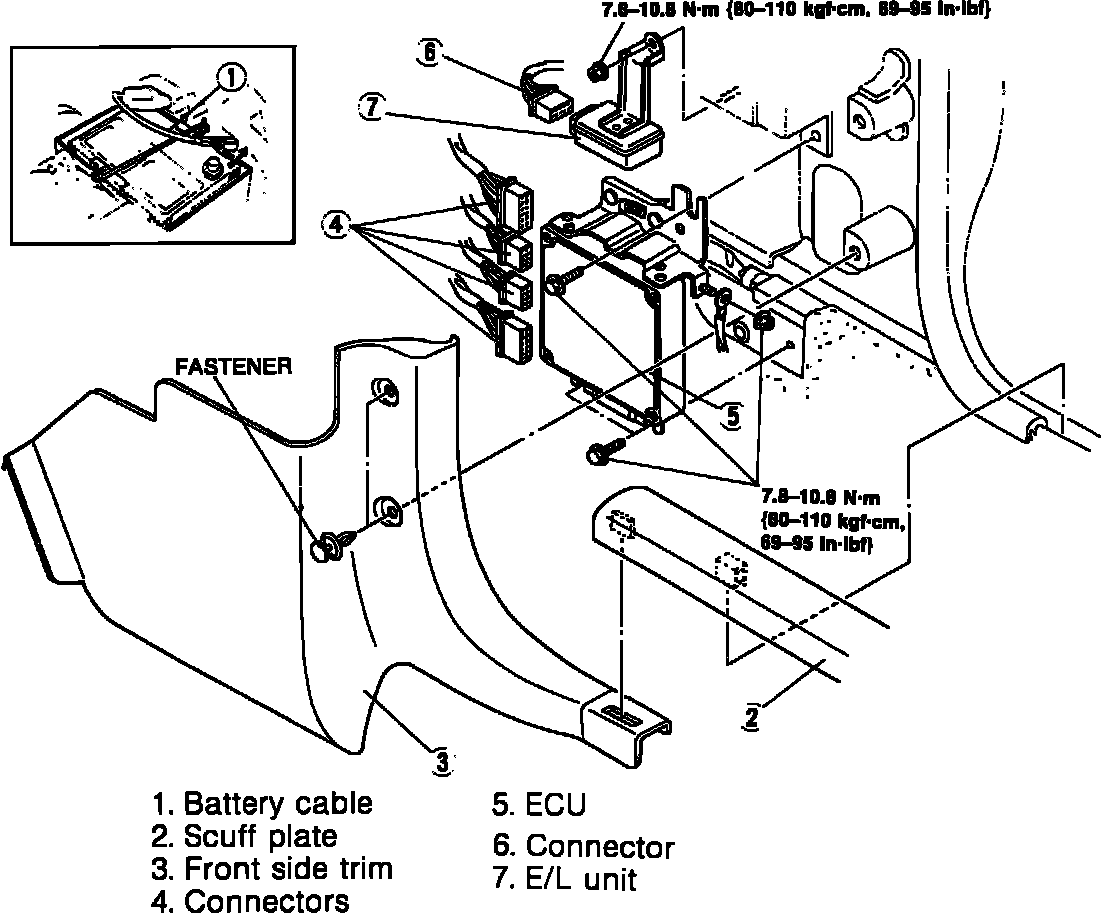
Engine Control Module: Service and Repair

ECU Replacement:






1. Remove components in order shown.
2. Install in reverse order.


COMPONENTS

1. Battery cable
2. Scuff plate
3. Front side trim
4. Connectors
5. ECU
6. Connector
7. E/L unit