lemon-mirror:
Home >> Mazda >> 1993 >> RX7 2RTR-1308cc 80 >> Repair and Diagnosis >> Powertrain Management >> Computers and Control Systems >> Body Control Module >> Diagrams >> Electrical Diagrams

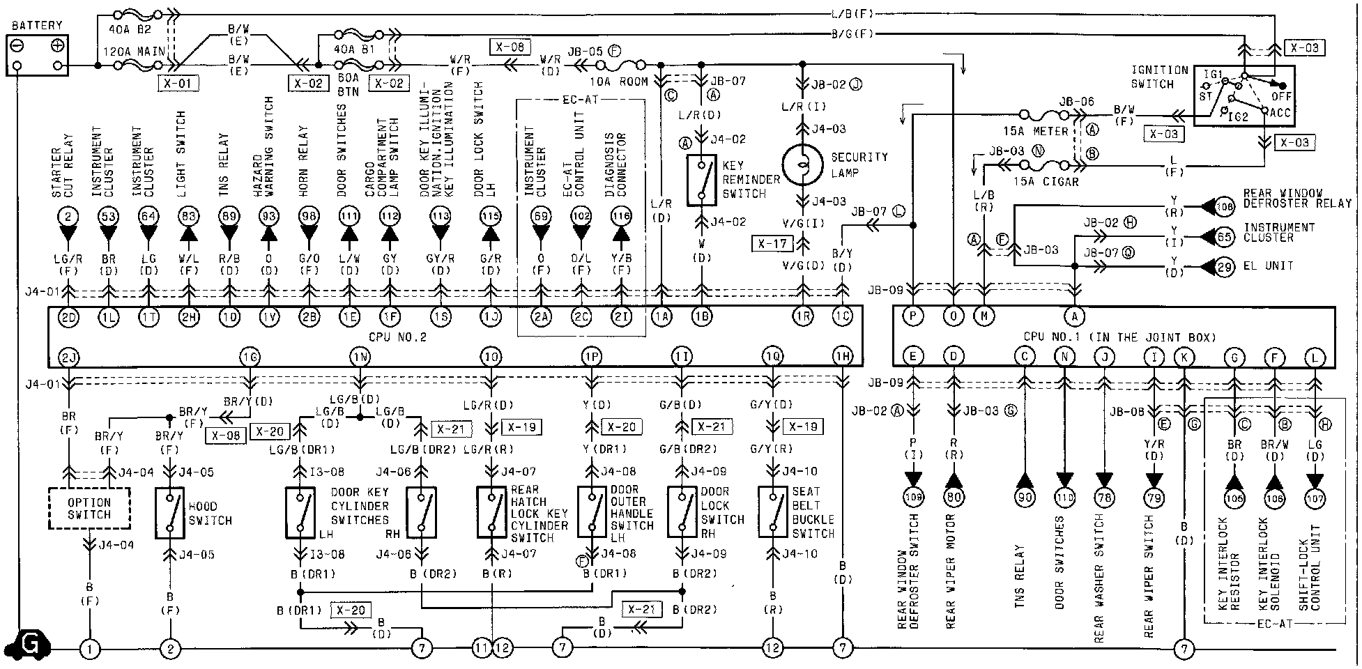
Electrical Diagrams

Central Processor Unit (CPU) And Theft-Deterrent System: