lemon-mirror:
Home >> Mazda >> 1992 >> MX-3 L4-1597cc 1.6L >> Repair and Diagnosis >> Specifications >> Mechanical Specifications >> Engine >> Timing Components >> System Specifications

System Specifications

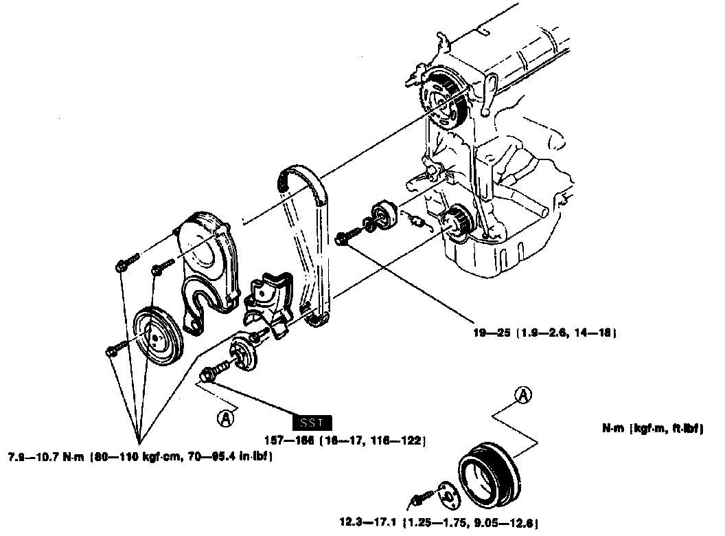
Timing Components: