lemon-mirror:
Home >> Mazda >> 1992 >> MX-3 L4-1597cc 1.6L >> Repair and Diagnosis >> Powertrain Management >> Ignition System >> Ignition Control Module >> Locations

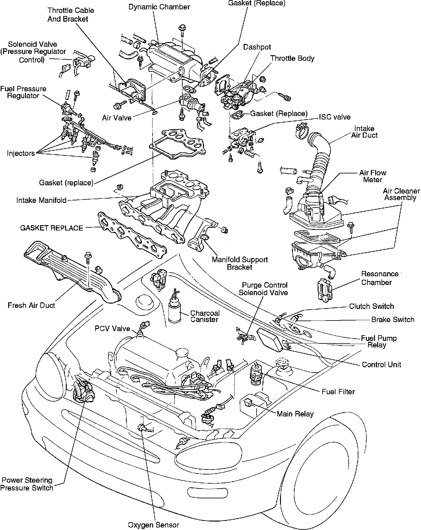
Ignition Control Module: Locations

Component Locations:







AIR VALVE
Beneath dynamic chamber

AIR CONDITIONING RELAY
Behind passenger side strut tower, toward firewall

AIR FLOW METER
Mounted on air cleaner box

ATMOSPHERIC PRESSURE SENSOR
Integral with ECU

FUEL PUMP RELAY (CIRCUIT OPENING RELAY)
Beneath center of dash, by ECU

CLUTCH SWITCH (M/T)
Beneath dash near clutch pedal linkage

DIAGNOSIS CONNECTOR
Near battery

ENGINE CONTROL UNIT (ECU)
Under center of dash

FUEL INJECTORS
On intake manifold, next to cylinder head

IDLE SPEED CONTROL (ISC) VALVE
Beneath throttle body

IGNITER
Right side engine compartment, near coil

INHIBITOR SWITCH (A/T)
On transaxle

INTAKE AIR THERMOSENSOR
Integral with air flow meter

MAIN RELAY
Front of left side strut tower

NEUTRAL SWITCH (M/T)
Top of transaxle case

OXYGEN SENSOR
Exhaust manifold

POWER STEERING SWITCH
Pressure side power steering hose

PRESSURE REGULATOR SOLENOID
Top of intake manifold, right side

PURGE CONTROL SOLENOID
Engine compartment, near center of firewall

STOPLIGHT SWITCH
Beneath dash, near brake pedal linkage

THROTTLE SENSOR
On throttle body

WATER THERMOSENSOR
Cylinder head, near distributor