lemon-mirror:
Home >> Mazda >> 1992 >> 929 V6-3.0L DOHC >> Repair and Diagnosis >> Specifications >> Mechanical Specifications >> Engine >> System Specifications >> Torque Specifications

Torque Specifications

Intake & Exhaust Manifolds:











Upper Engine:






Head Bolt Torque/Sequence:






Cam Cap Torque/Sequence:






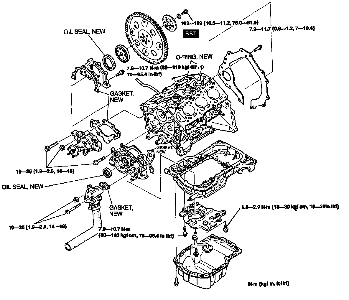
Timing Components:






Timing Cover:






Lower Engine:






Main Bolt Torque/Sequence:











Oil Pan Torque/Sequence:






Drive Plate Torque/Sequence: