lemon-mirror:
Home >> Mazda >> 1992 >> 929 V6-3.0L DOHC >> Repair and Diagnosis >> Powertrain Management >> Computers and Control Systems >> Air Flow Meter/Sensor >> Locations

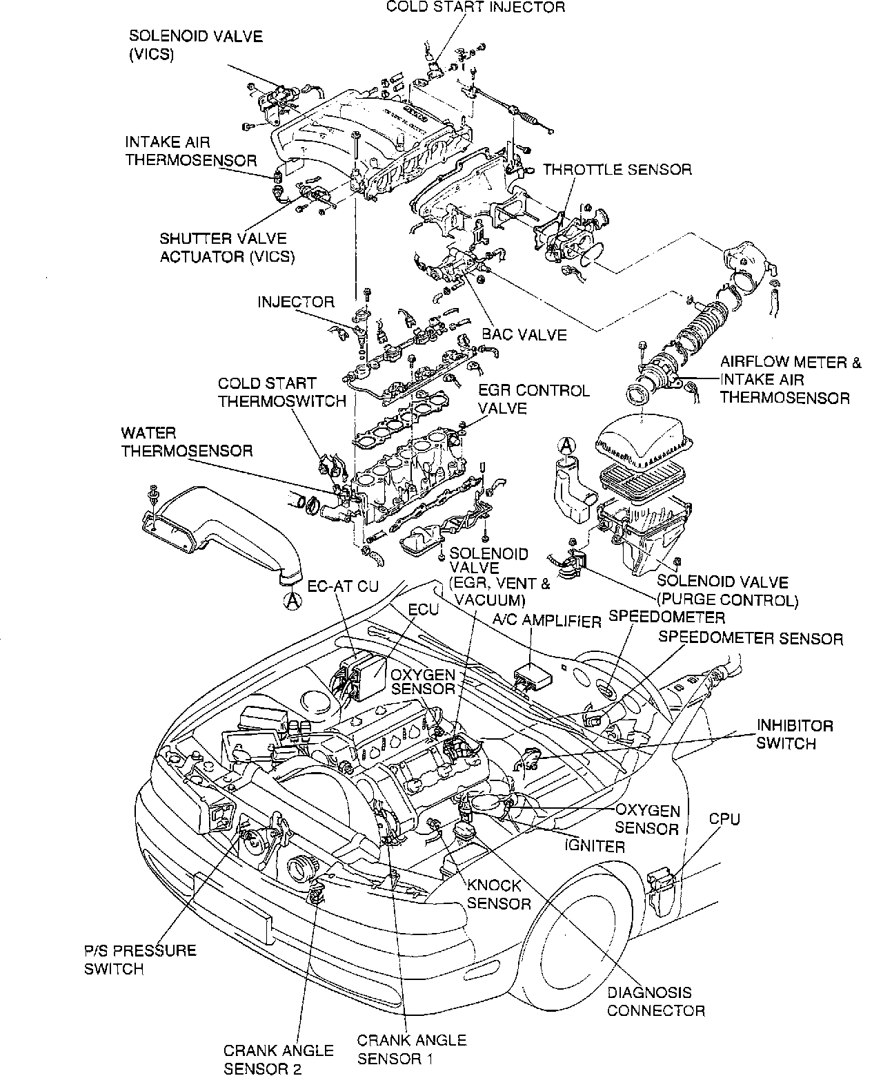
Air Flow Meter/Sensor: Locations

Component Locations:







AIRFLOW METER
Bolted to air cleaner assembly

ATMOSPHERIC PRESSURE SENSOR
Integral component of the ECU

BYPASS AIR CONTROL (BAC) VALVE
Mounted on the intake air pipe, in front of the throttle body.

COLD START INJECTOR
Installed in the right rear of the intake manifold dynamic chamber.

COLD START THERMOSWITCH
Installed in the water outlet at the center front of the intake manifold.

DIAGNOSTIC CONNECTOR
Drivers side front of engine compartment, just in front of the left strut tower.

EC-AT CONTROL UNIT (ELECTRONICALLY CONTROLLED A/T)
Located next to ECU, behind the passenger side kick panel.

ENGINE CONTROL UNIT (ECU)
Located behind the passenger side kick panel.

EGR POSITION SENSOR
Located on top of EGR control valve

EGR SOLENOID VALVES (VACUUM & VENT)
Mounted on the rear of the left valve cover.

FUEL INJECTORS
Installed in the fuel rail.

IDLE SWITCH
Idle switch is an integral part of throttle sensor.

IGNITER
Located drivers side wheel well near coil.

INHIBITOR SWITCH
Located on the transmission.

INTAKE AIR THERMOSENSOR # 1
Located inside airflow meter.

INTAKE AIR THERMOSENSOR # 2
Screwed into dynamic chamber.

IDLE SPEED CONTROL (ISC) VALVE
Integrated part of BAC valve.

KNOCK SENSORS
Installed in the engine block below the cylinder heads (one on each side), under the exhaust manifolds.

MAIN RELAY
In the relay box, right front of engine compartment.

MALFUNCTION INDICATOR LAMP (MIL)
Located in the instrument panel.

OXYGEN SENSOR LEFT SIDE
Screwed into left exhaust manifold)

OXYGEN SENSOR RIGHT SIDE
Screwed into right exhaust manifold)

POWER STEERING PRESSURE SWITCH
On the power steering pump, at the high pressure outlet.

PURGE CONTROL SOLENOID
Mounted on the front of the air cleaner.

STOP LIGHT SWITCH
Beneath the dash, activated by brake pedal.

THROTTLE SENSOR
Mounted on the throttle body.

VARIABLE INERTIA CHARGING SYSTEM (VICS) SOLENOID
Mounted on the right side of the intake manifold dynamic chamber.

VEHICLE SPEED SENSOR
Drivers side of transmission

WATER THERMOSENSOR
Installed in the water outlet at the front center of the intake manifold.