lemon-mirror:
Home >> Mazda >> 1990 >> MPV 2WD V6-3.0L SOHC >> Repair and Diagnosis >> Powertrain Management >> Ignition System >> Ignition Control Module >> Description and Operation

Ignition Control Module: Description and Operation

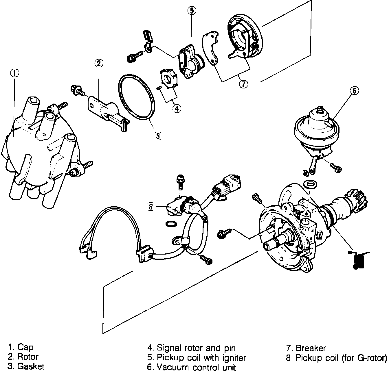
Distributor:






The Igniter, part of the pick-up coil in the distributor, is a switching device that activates the primary ignition coil circuit. The ECU transmits a primary current "OFF" signal to the igniter to trigger the coil. When the atmospheric pressure sensor detects high altitude (above 1000 meters, 3280 feet), the ECU advances timing to compensate for engine power loss.