lemon-mirror:
Home >> Mazda >> 1990 >> MPV 2WD V6-3.0L SOHC >> Repair and Diagnosis >> Powertrain Management >> Ignition System >> Distributor >> Service and Repair >> Disassembly/Assembly

Disassembly/Assembly

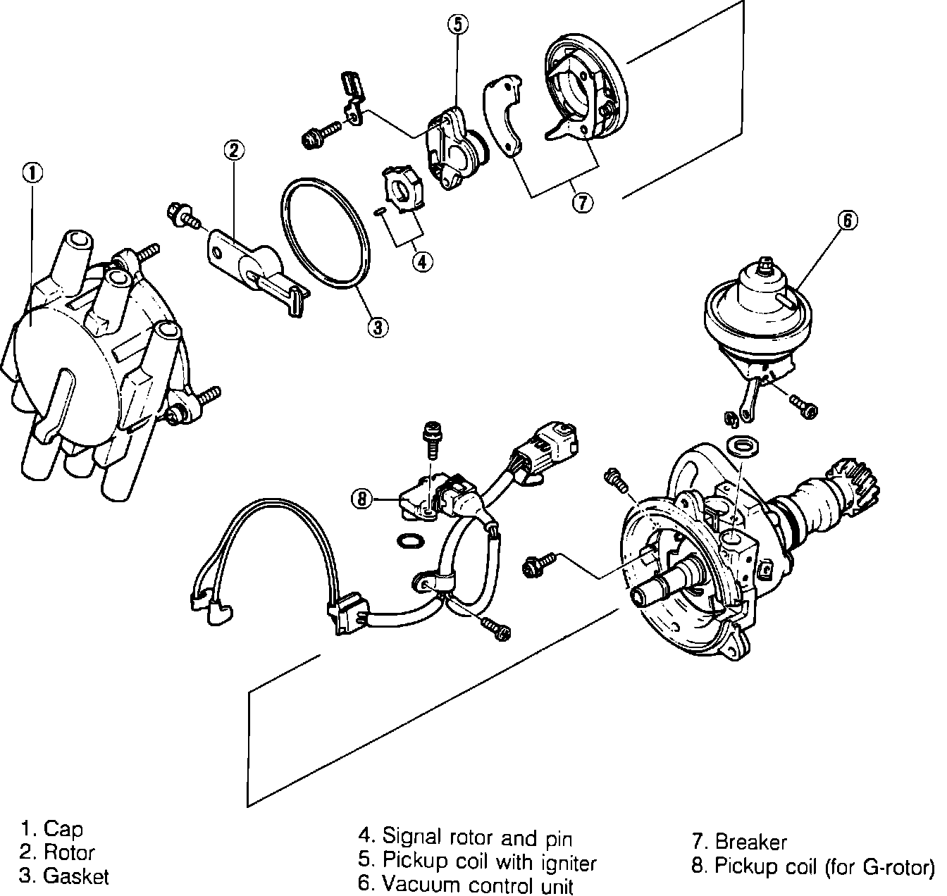
Distributor Assembly:






V6






L4
Begin disassembly at # 1 in diagram. Assemble in reverse order.