lemon-mirror:
Home >> Mazda >> 1990 >> MPV 2WD V6-3.0L SOHC >> Repair and Diagnosis >> Body and Frame >> Body Control Systems >> Body Control Module >> Locations

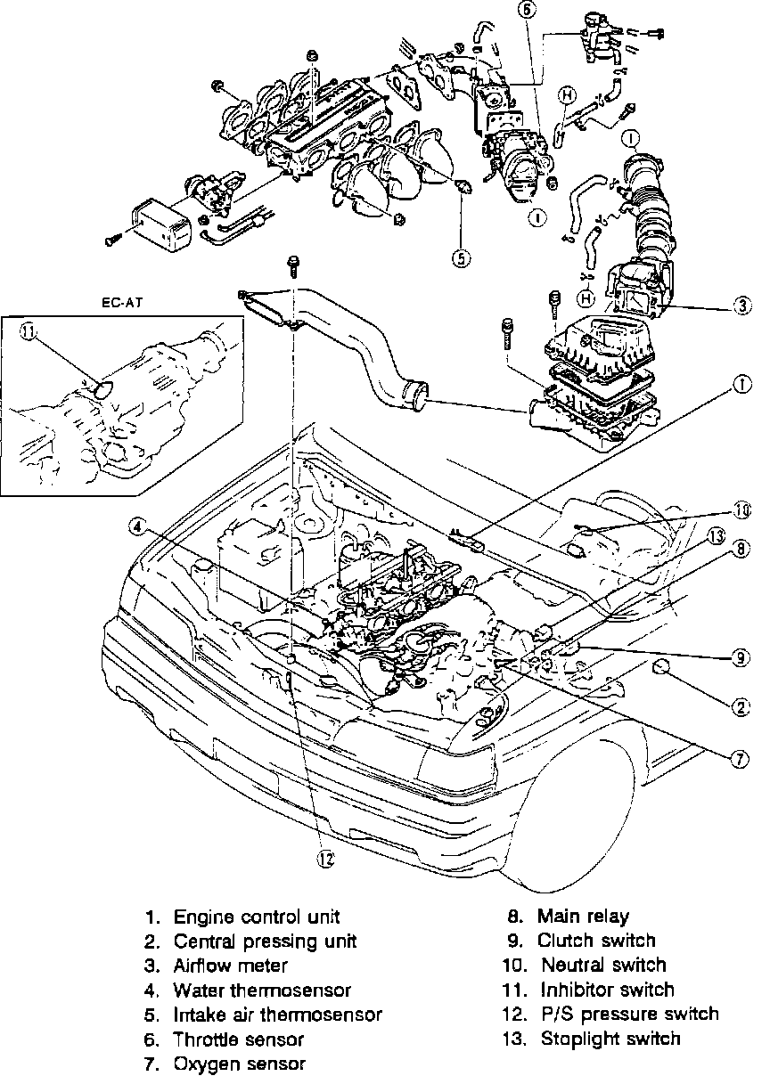
Body Control Module: Locations

Fuel & Emission Control System Components (Input):




Behind LH Kick Panel

Applicable to: 3.0L/V6-180 Engine