lemon-mirror:
Home >> Mazda >> 1990 >> 929 V6-3.0L DOHC >> Repair and Diagnosis >> Specifications >> Mechanical Specifications >> Engine >> Cylinder Block Assembly >> System Specifications >> Torque Specifications

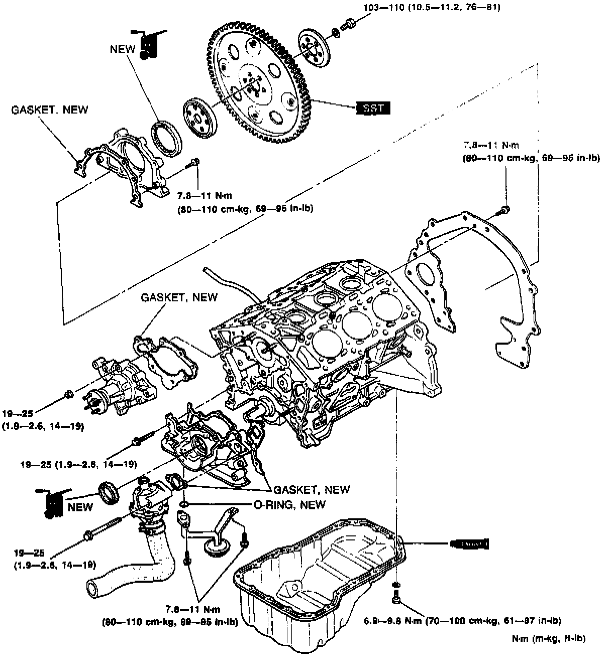
Torque Specifications

Timing Components:






Timing Cover:






Lower Engine: