lemon-mirror:
Home >> Mazda >> 1990 >> 929 V6-3.0L DOHC >> Repair and Diagnosis >> Diagrams >> Exploded Views >> Cooling System

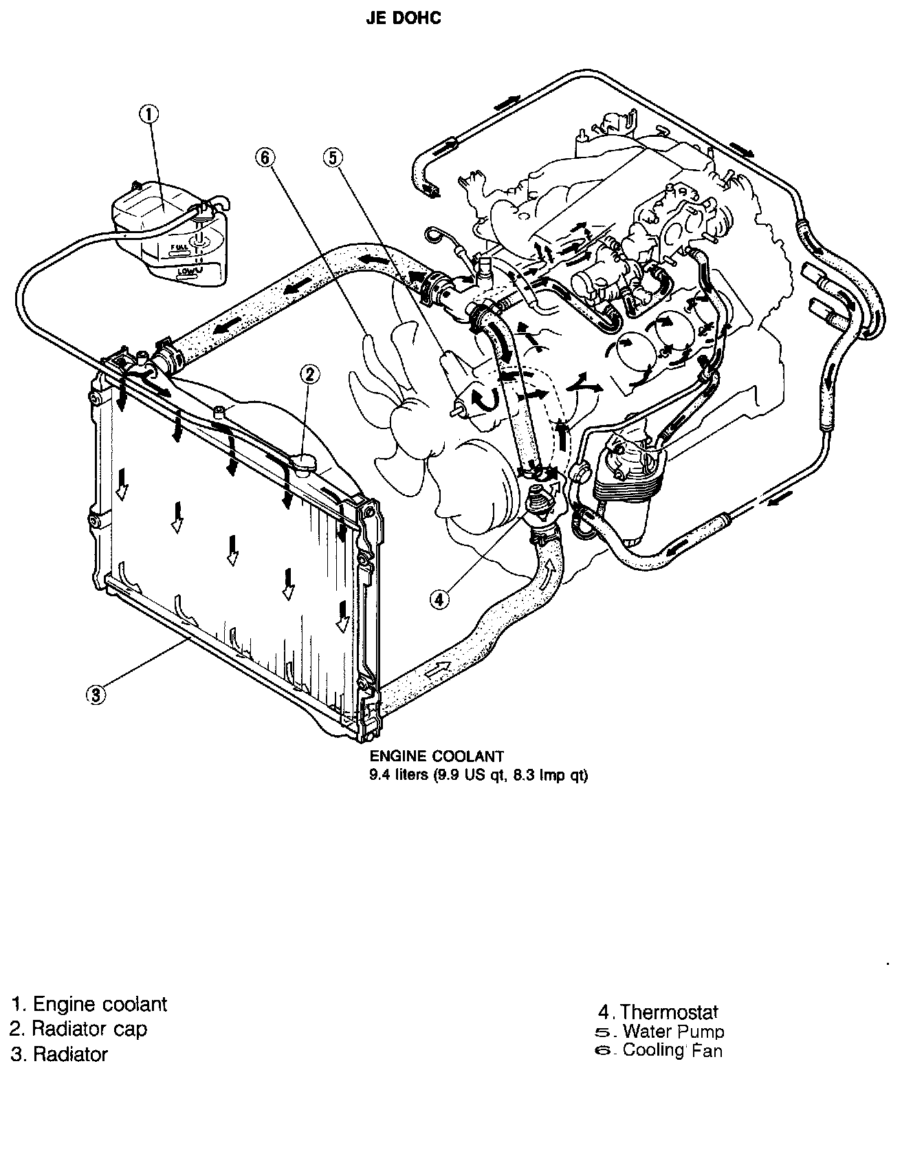
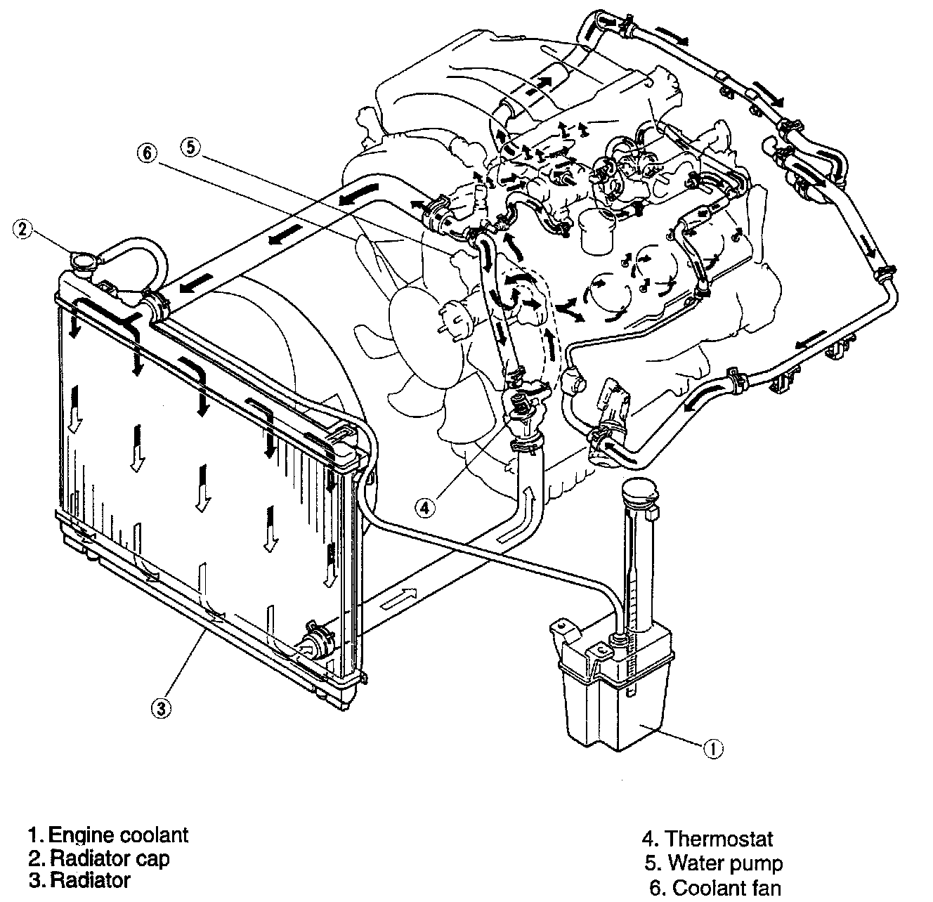
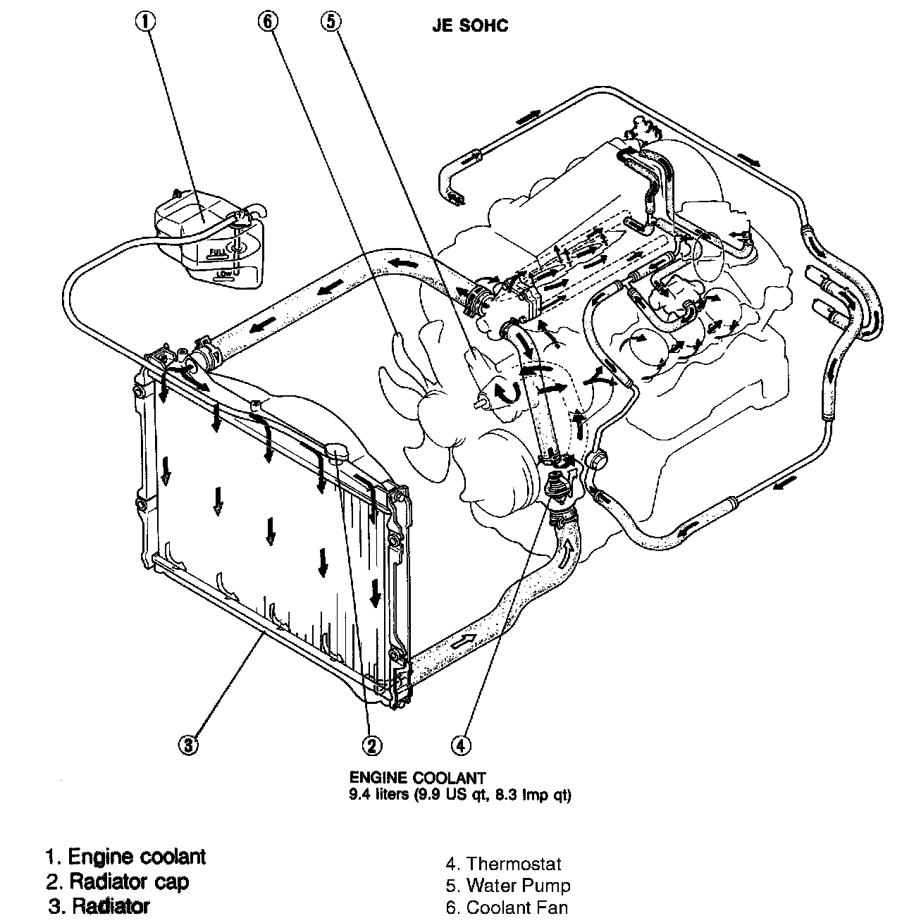
Cooling System






SOHC






DOHC

1990-91






1992-95