lemon-mirror:
Home >> Mazda >> 1990 >> 323 L4-1600 1597cc >> Repair and Diagnosis >> Specifications >> Mechanical Specifications >> Engine >> Timing Components >> System Specifications

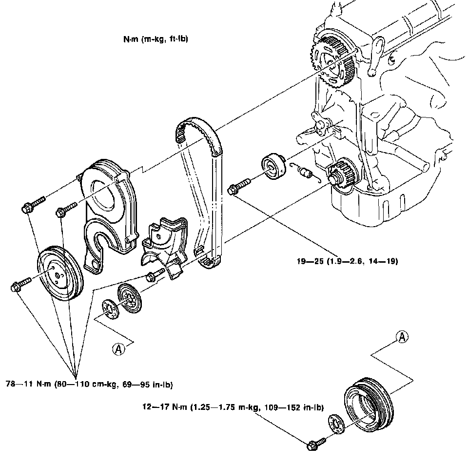
System Specifications

Timing Components: