lemon-mirror:
Home >> Mazda >> 1990 >> 323 L4-1600 1597cc >> Repair and Diagnosis >> Specifications >> Mechanical Specifications >> Engine >> System Specifications >> Torque Specifications

Torque Specifications

Intake:






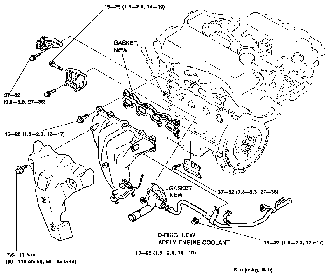
Exhaust Manifold:






Upper Engine B6 1.6L:






Head Bolt Torque/Sequence B6 1.6L:






Timing Components:











Lower Engine:






Main Bolt Torque/Sequence:






Flywheel (M/T) Torque/Sequence:






Flex Plate (A/T) Torque/Sequence: