lemon-mirror:
Home >> Mazda >> 1990 >> 323 L4-1600 1597cc >> Repair and Diagnosis >> Specifications >> Mechanical Specifications >> Engine >> Cylinder Block Assembly >> System Specifications >> Torque Specifications

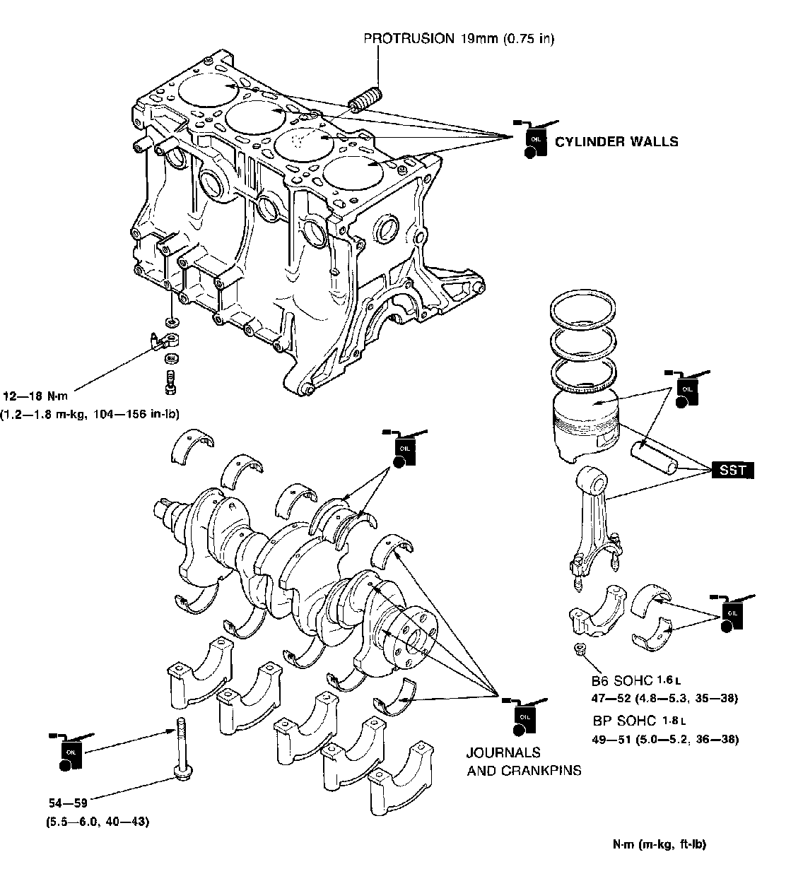
Torque Specifications

Timing Components:











Lower Engine:






Main Bolt Torque/Sequence:






Flywheel (M/T) Torque/Sequence:






Flex Plate (A/T) Torque/Sequence: