lemon-mirror:
Home >> Mazda >> 1990 >> 323 L4-1600 1597cc >> Repair and Diagnosis >> Diagrams >> Exploded Views >> Timing Components

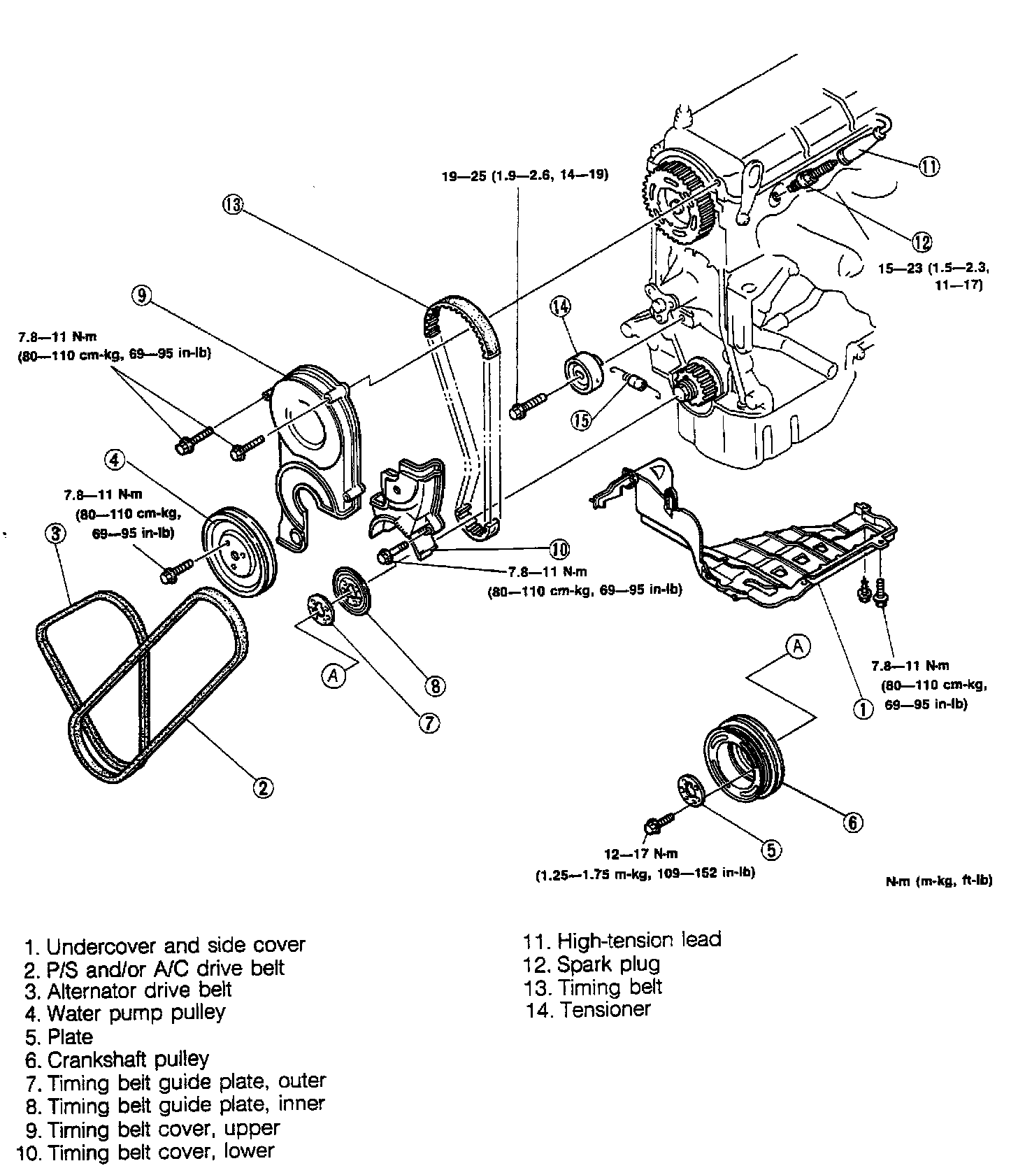
Timing Components