lemon-mirror:
Home >> Mazda >> 1987 >> 323 L4-1600 1597cc >> Repair and Diagnosis >> Powertrain Management >> Computers and Control Systems >> Locations

Computers and Control Systems: Locations

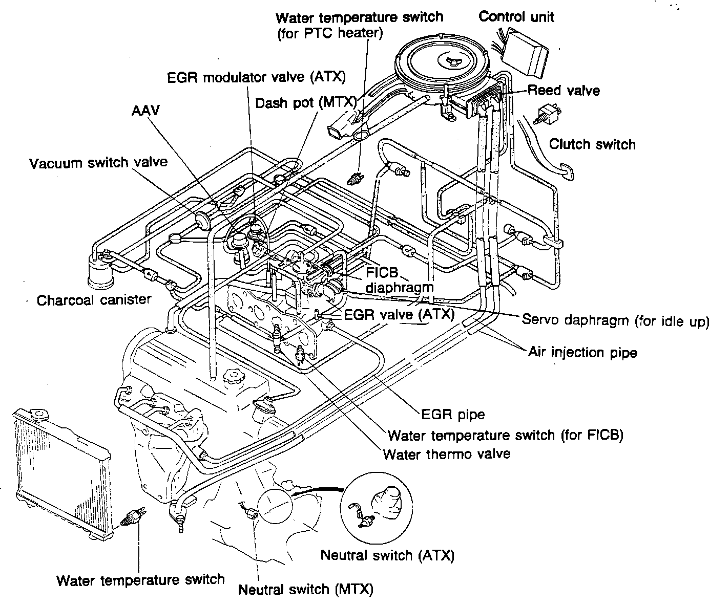
Emission Component Location:



Emission Component Location: