lemon-mirror:
Home >> Mazda >> 1987 >> 323 L4-1600 1597cc >> Repair and Diagnosis >> Powertrain Management >> Computers and Control Systems >> Air Flow Meter/Sensor >> Locations

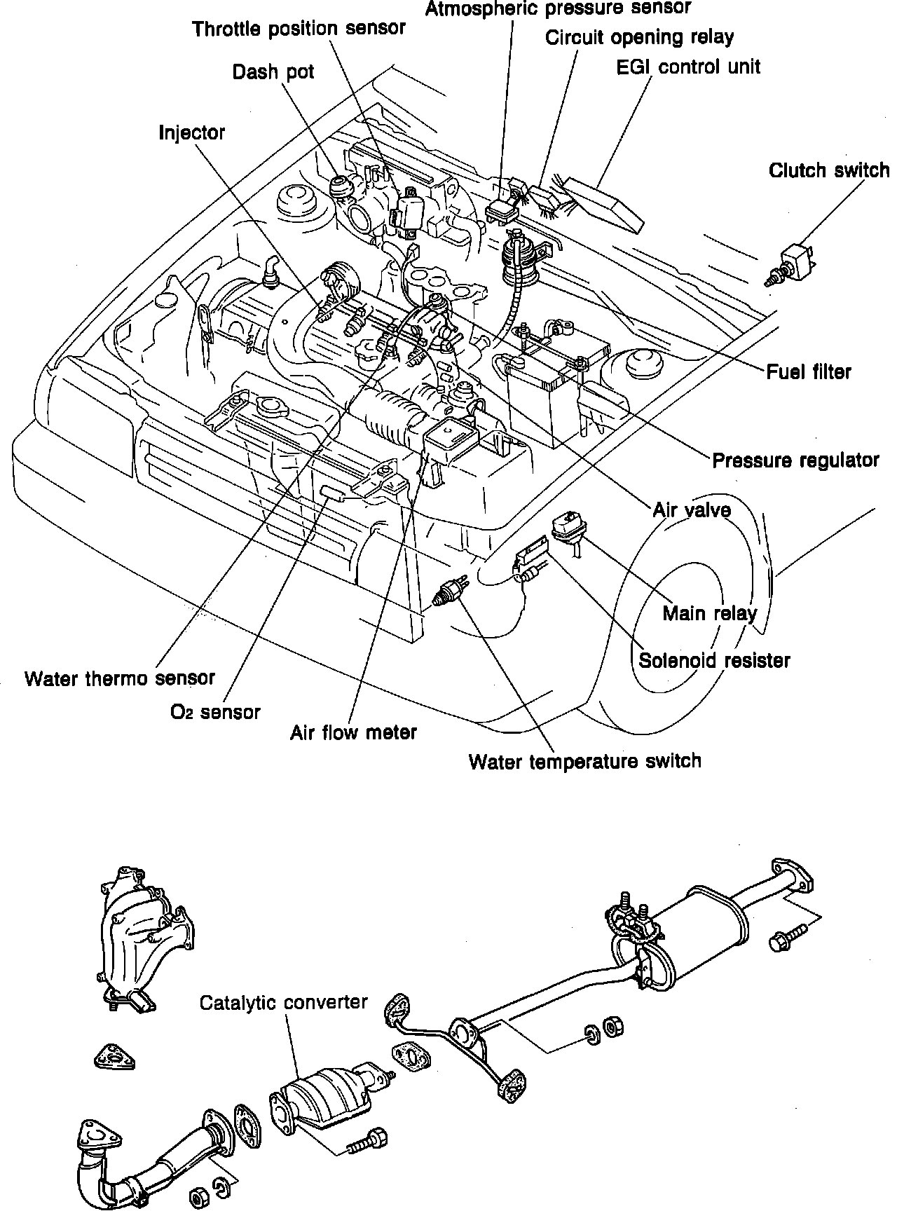
Air Flow Meter/Sensor: Locations

Fig. 25 EGI System: