lemon-mirror:
Home >> Mazda >> 1986 >> RX7 2RTR-1308cc 80 >> Repair and Diagnosis >> Diagrams >> Exploded Views >> Steering Column

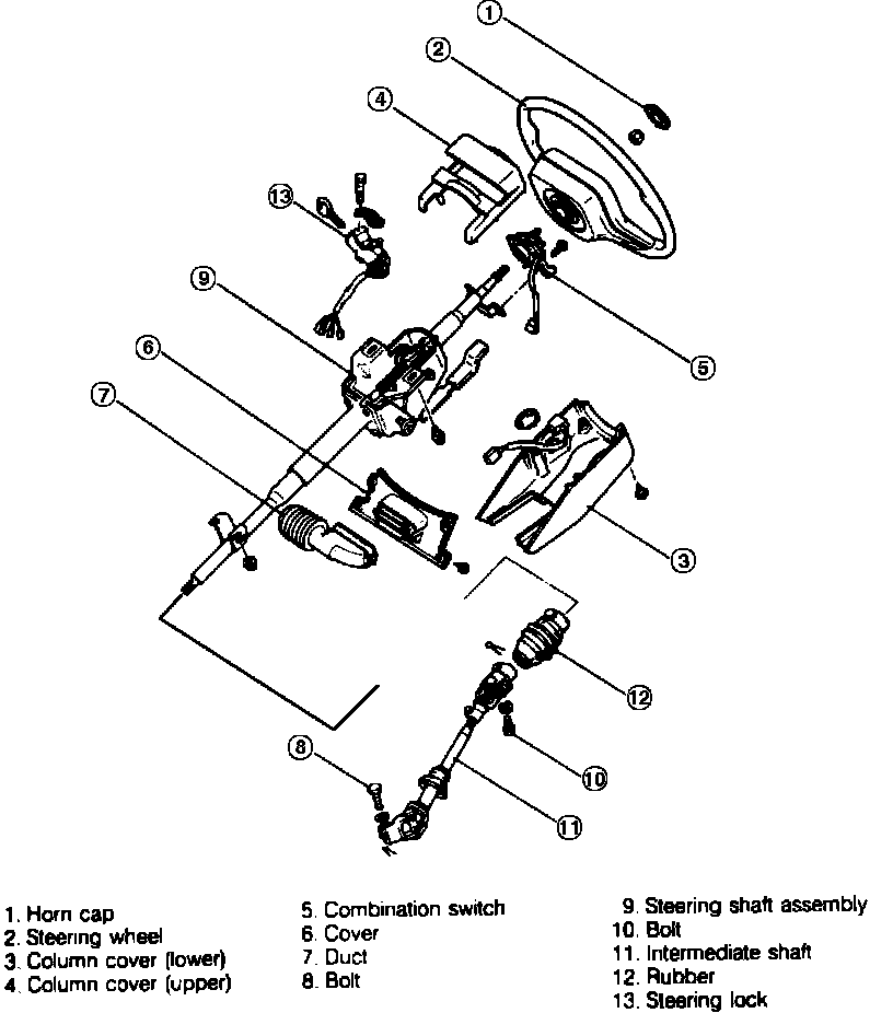
Steering Column

Fig. 4 Exploded view of steering column. 1986-88 RX-7: