lemon-mirror:
Home >> Mazda >> 1986 >> 323 L4-1600 1597cc >> Repair and Diagnosis >> Powertrain Management >> Computers and Control Systems >> Relays and Modules - Computers and Control Systems >> Engine Control Module >> Locations

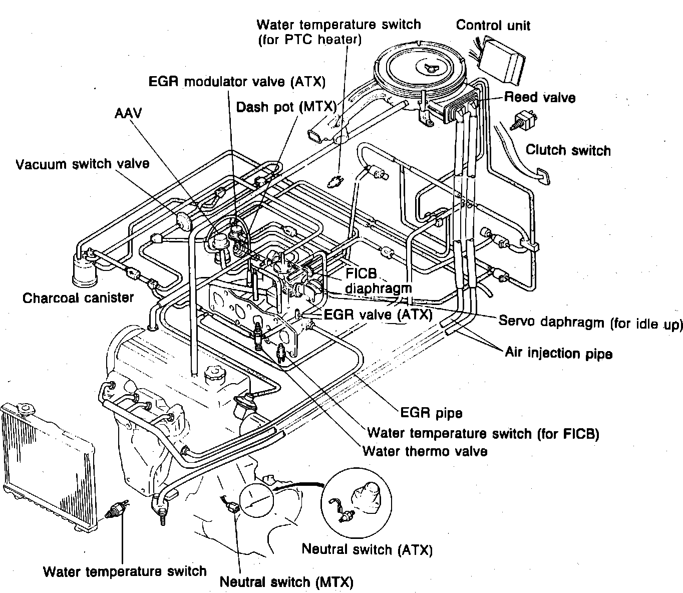
Engine Control Module: Locations

Emission System Components.:




RH Side Of Engine Compartment

Applicable to: 1986 Carbureted Models