lemon-mirror:
Home >> Mazda >> 1986 >> 323 L4-1600 1597cc >> Repair and Diagnosis >> Powertrain Management >> Computers and Control Systems >> Main Relay (Computer/Fuel System) >> Locations

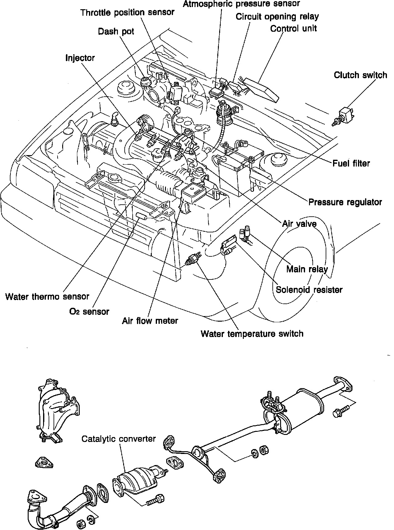
Main Relay (Computer/Fuel System): Locations

Fig. 23 EGI System: