lemon-mirror:
Home >> Mazda >> 1985 >> RX7 2RTR-1308cc 80 >> Repair and Diagnosis >> Powertrain Management >> Ignition System >> Locations

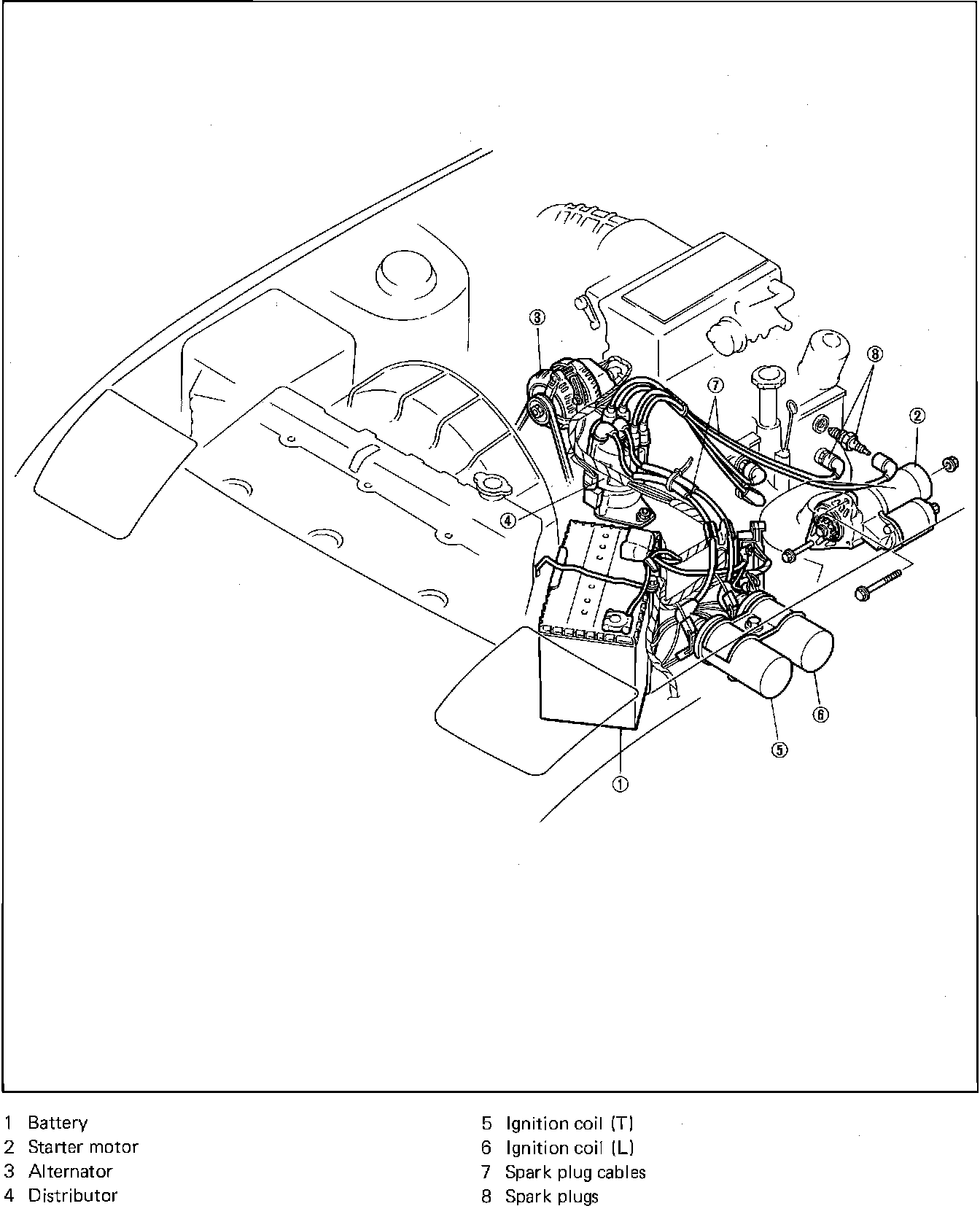
Ignition System: Locations

Fig. 1 Ignition system component locations: