lemon-mirror:
Home >> Mazda >> 1985 >> RX7 2RTR-1308cc 80 >> Repair and Diagnosis >> Powertrain Management >> Ignition System >> Distributor >> Distributor Advance Unit >> Locations

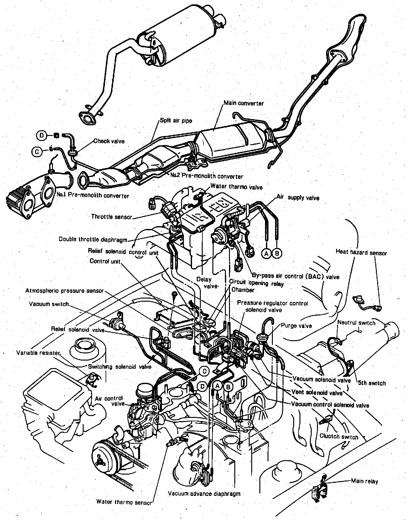
Distributor Advance Unit: Locations

Engine Compartment Reference Diagram.:




Engine Compartment Reference Diagram.:




Front LH Side Of Engine Compartment

Applicable to: 1984-85 Fuel Injected Models (Part 1 of 2)