lemon-mirror:
Home >> Mazda >> 1985 >> RX7 2RTR-1308cc 80 >> Repair and Diagnosis >> Powertrain Management >> Computers and Control Systems >> Locations

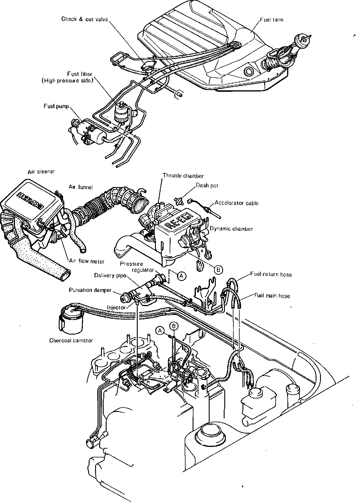
Computers and Control Systems: Locations

Emission Component Location:



Emission Component Location: