lemon-mirror:
Home >> Mazda >> 1985 >> RX7 2RTR-1308cc 80 >> Repair and Diagnosis >> Powertrain Management >> Computers and Control Systems >> Air Flow Meter/Sensor >> Locations

Air Flow Meter/Sensor: Locations

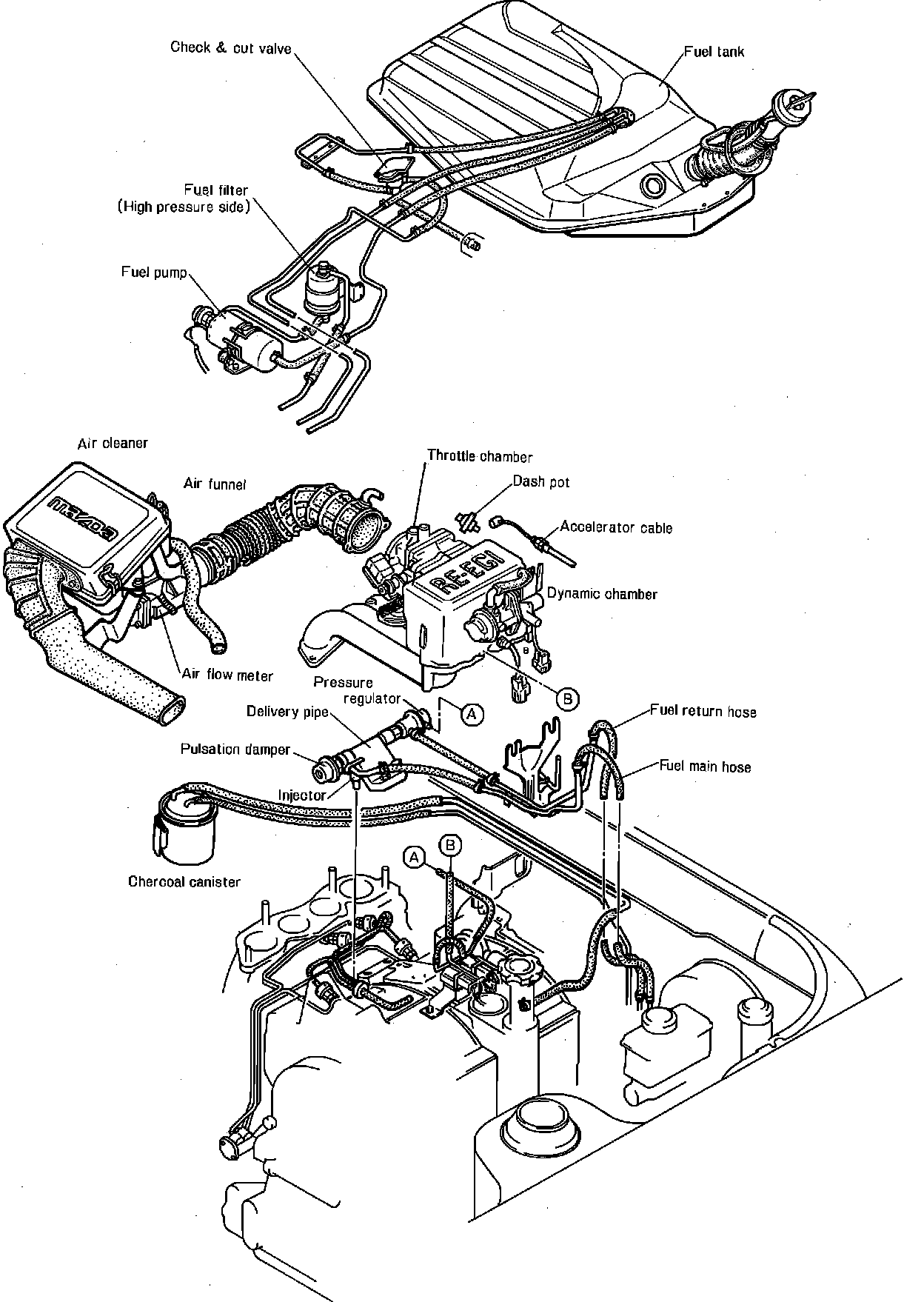
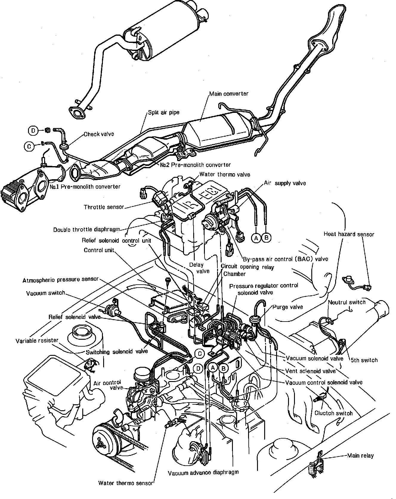
Fig. 16 EGI System:



Fig. 16 EGI System: