lemon-mirror:
Home >> Mazda >> 1985 >> RX7 2RTR-1308cc 80 >> Repair and Diagnosis >> Diagrams >> Exploded Views >> Engine Lubrication

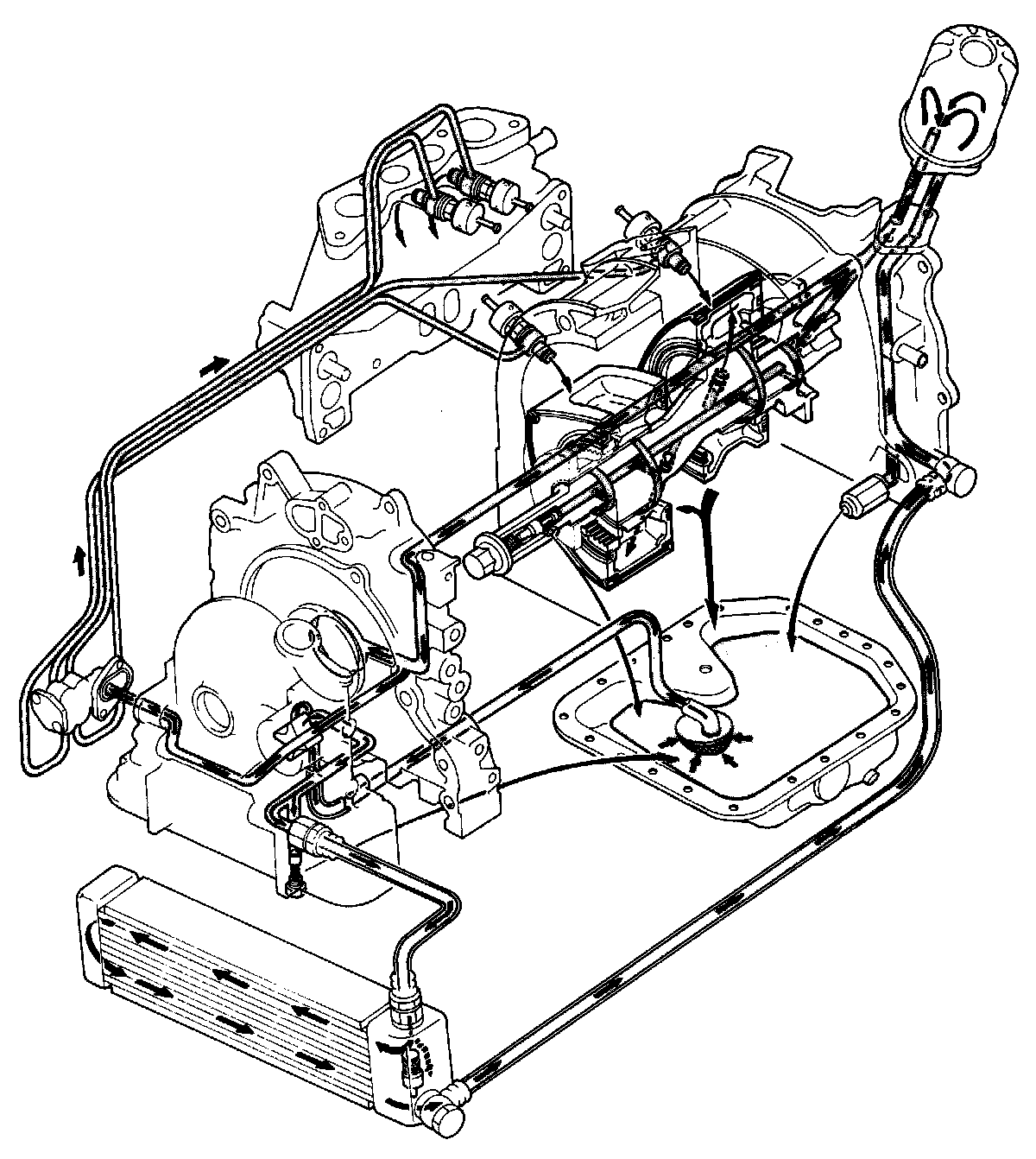
Engine Lubrication