lemon-mirror:
Home >> Mazda >> 1985 >> RX7 2RTR-1146cc 70 >> Repair and Diagnosis >> Powertrain Management >> Computers and Control Systems >> Throttle Position Sensor >> Locations

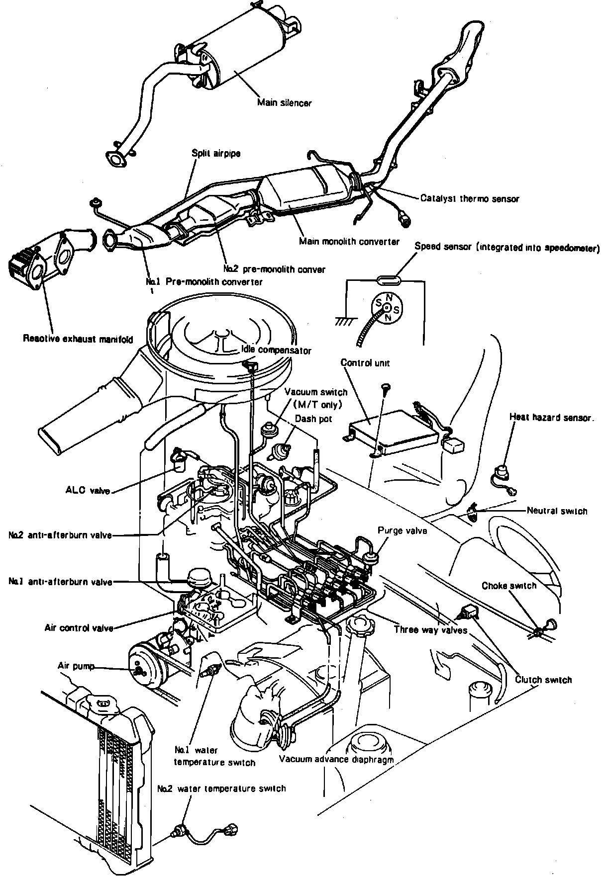
Throttle Position Sensor: Locations

Engine Compartment Reference Diagram.:




Engine Compartment Reference Diagram.:




RH Side Of Engine

Applicable to: 1984-85 Carbureted Models (Part 1 of 2)