lemon-mirror:
Home >> Mazda >> 1985 >> GLC L4-1490cc 1.5L >> Repair and Diagnosis >> Diagrams >> Exploded Views >> Carburetor

Carburetor

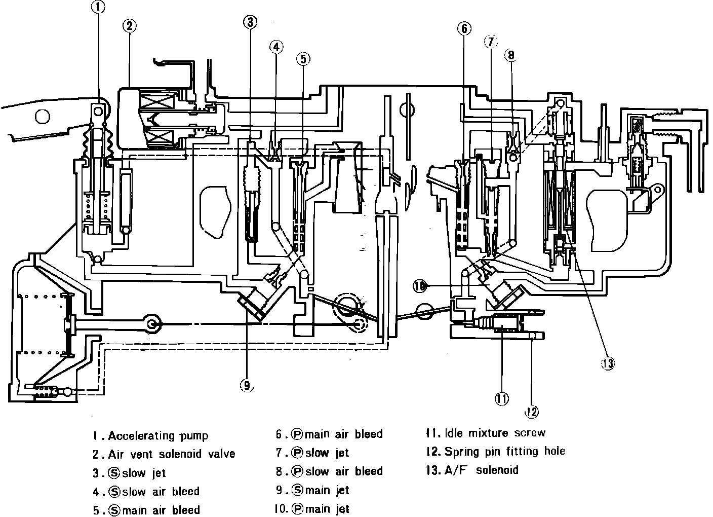
Fig. 1 Cross-sectional View: