lemon-mirror:
Home >> Mazda >> 1985 >> 626 L4-2.0L DSL >> Repair and Diagnosis >> Powertrain Management >> Ignition System >> Ignition Relay >> Locations

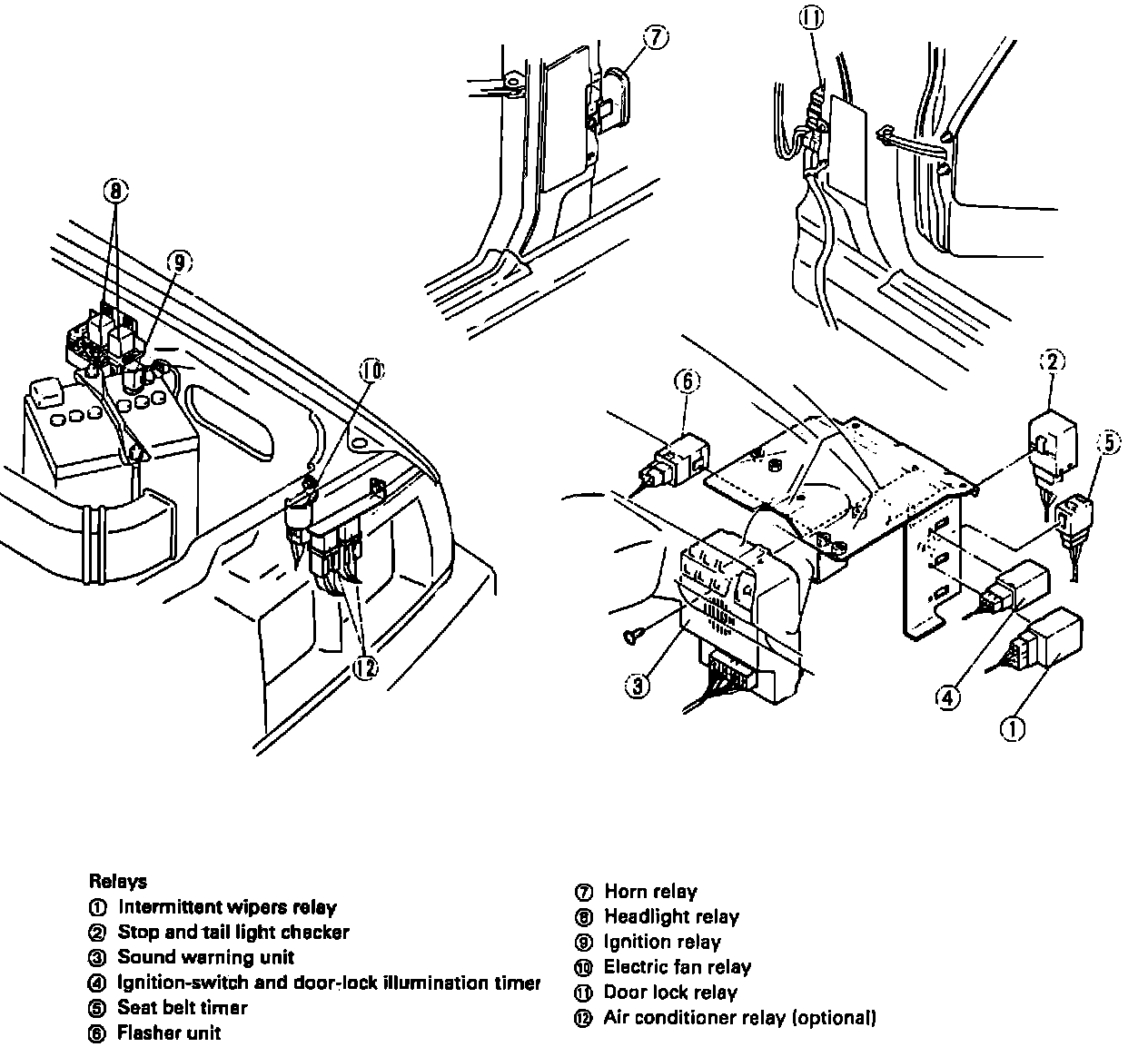
Ignition Relay: Locations

Relay Locations.:




Front LH Side Of Engine Compartment

Applicable to: 1983-85 Models