lemon-mirror:
Home >> Mazda >> 1985 >> 626 L4-2.0L DSL >> Repair and Diagnosis >> Diagrams >> Electrical Diagrams >> Glow Plug System >> Glow Plug Control Module

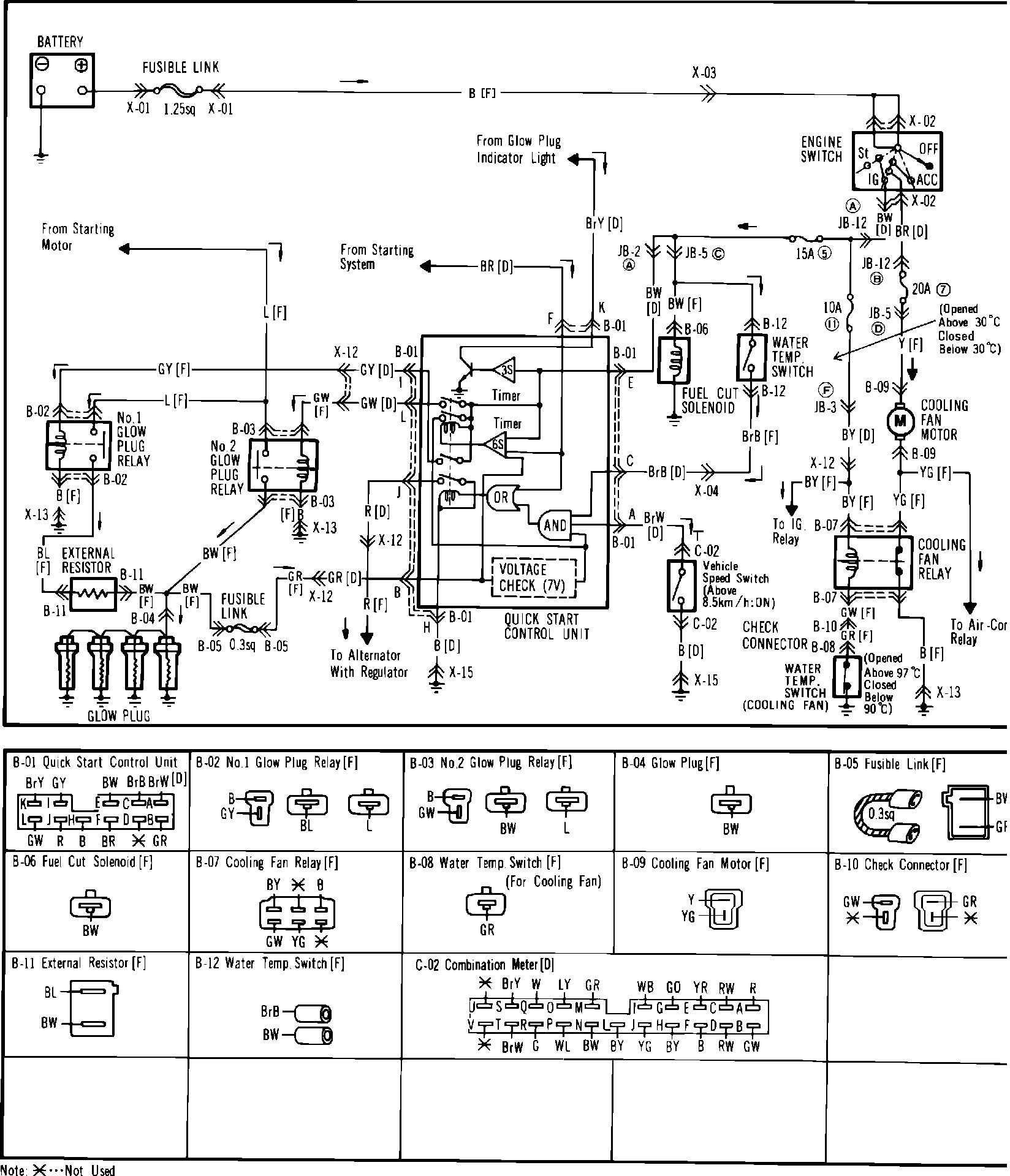
Glow Plug Control Module

=� Fig. 55b Cooling Fan, Fuel Cut Solenoid & Quick Start System Wiring Circuit. W/Diesel Engine: