lemon-mirror:
Home >> Mazda >> 1984 >> RX7 2RTR-1308cc 80 >> Repair and Diagnosis >> Powertrain Management >> Computers and Control Systems >> Air Flow Meter/Sensor >> Locations

Air Flow Meter/Sensor: Locations

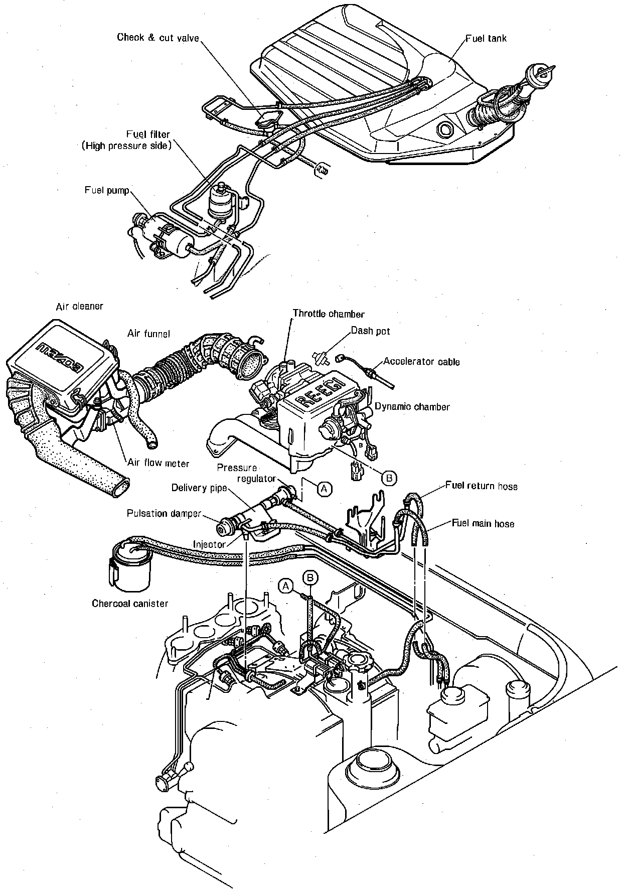
Fig. 13 EGI System:



Fig. 13 EGI System: