lemon-mirror:
Home >> Mazda >> 1983 >> RX7 2RTR-1146cc 70 >> Repair and Diagnosis >> Powertrain Management >> Ignition System >> Distributor >> Distributor Advance Unit >> Locations >> Vacuum Control Unit, Trailing

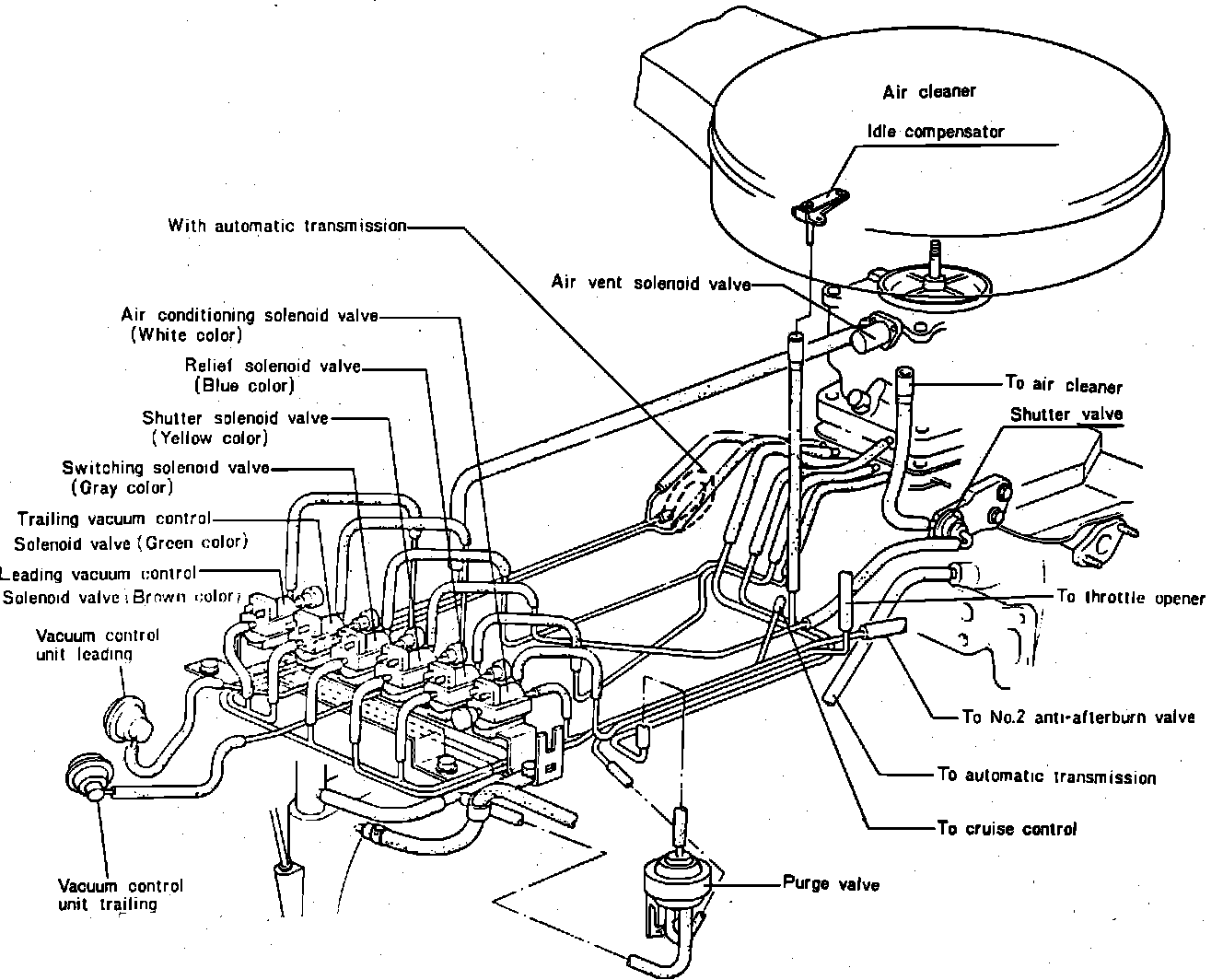
Vacuum Control Unit, Trailing

Vacuum Hose Routing.:




LH Side Of Engine

Applicable to: 1983 Models