lemon-mirror:
Home >> Mazda >> 1983 >> GLC L4-1490cc 1.5L >> Repair and Diagnosis >> Powertrain Management >> Computers and Control Systems >> Relays and Modules - Computers and Control Systems >> Engine Control Module >> Locations >> Except California

Except California

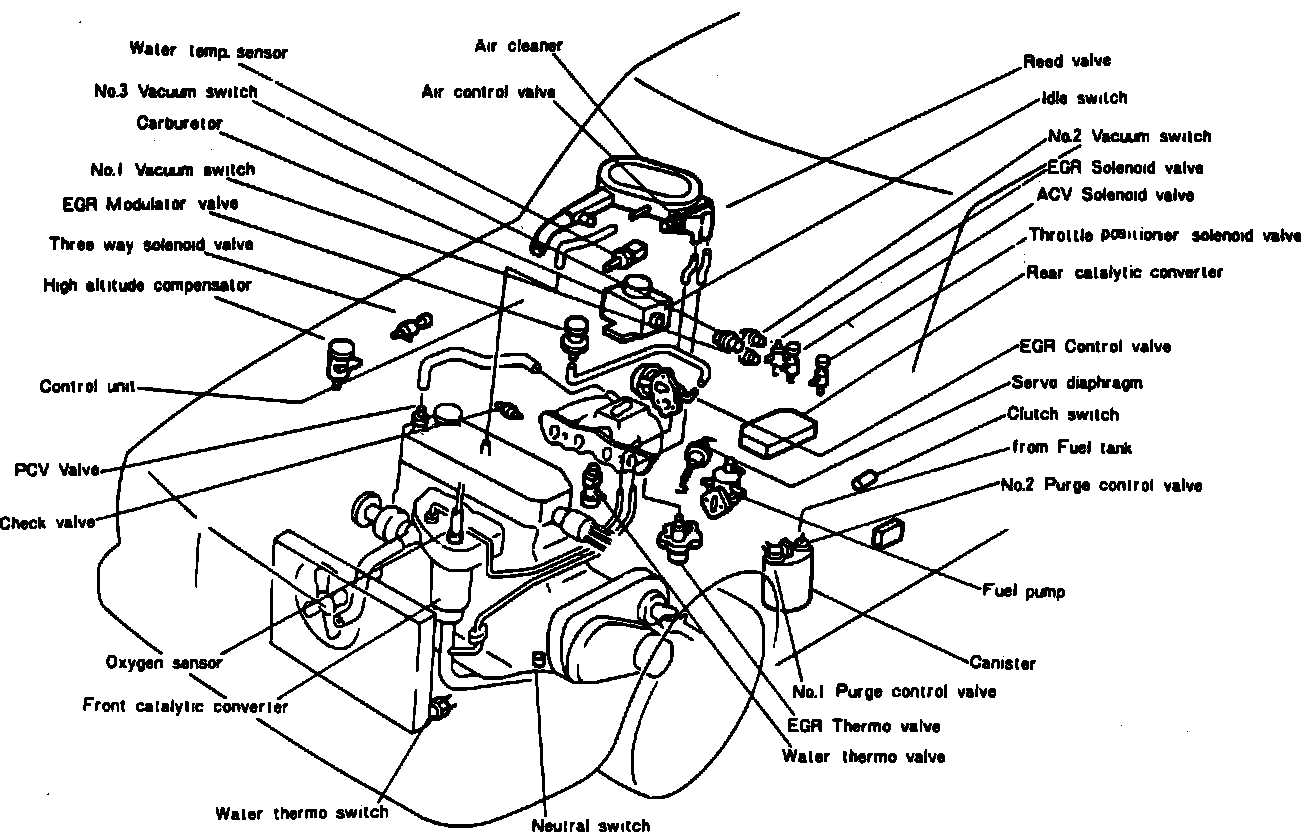
Engine Compartment Reference Diagram.:




RH Side Of Engine Compartment

Applicable to: 1983 Except Calif. Models