lemon-mirror:
Home >> Mazda >> 1982 >> GLC L4-1490cc 1.5L >> Repair and Diagnosis >> Powertrain Management >> Ignition System >> Locations

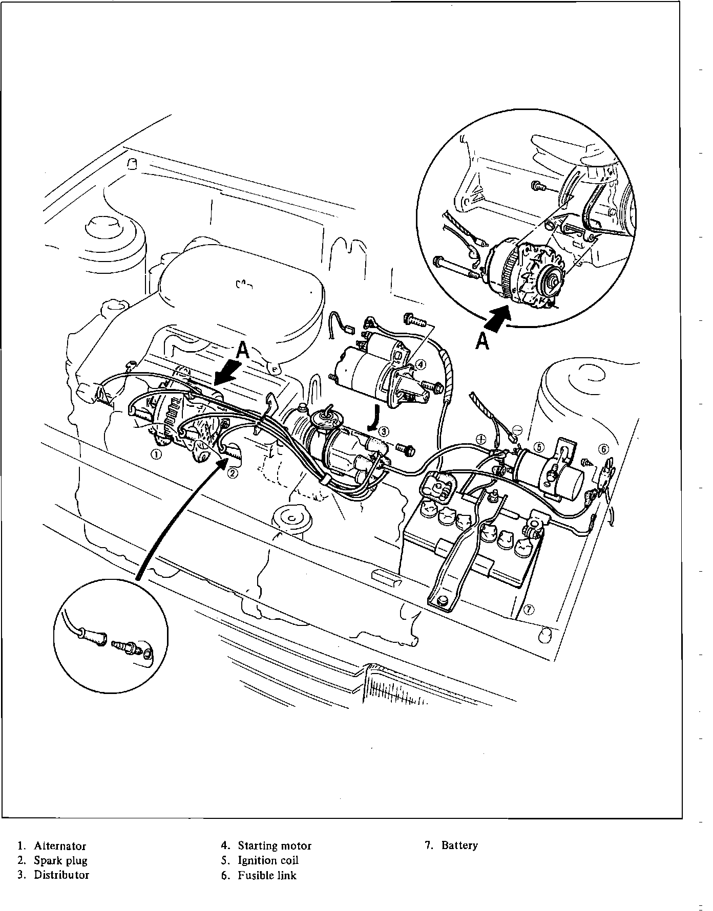
Ignition System: Locations

Fig. 1 Ignition system component locations: