lemon-mirror:
Home >> Mazda >> 1982 >> GLC L4-1490cc 1.5L >> Repair and Diagnosis >> Diagrams >> Exploded Views >> Steering Column

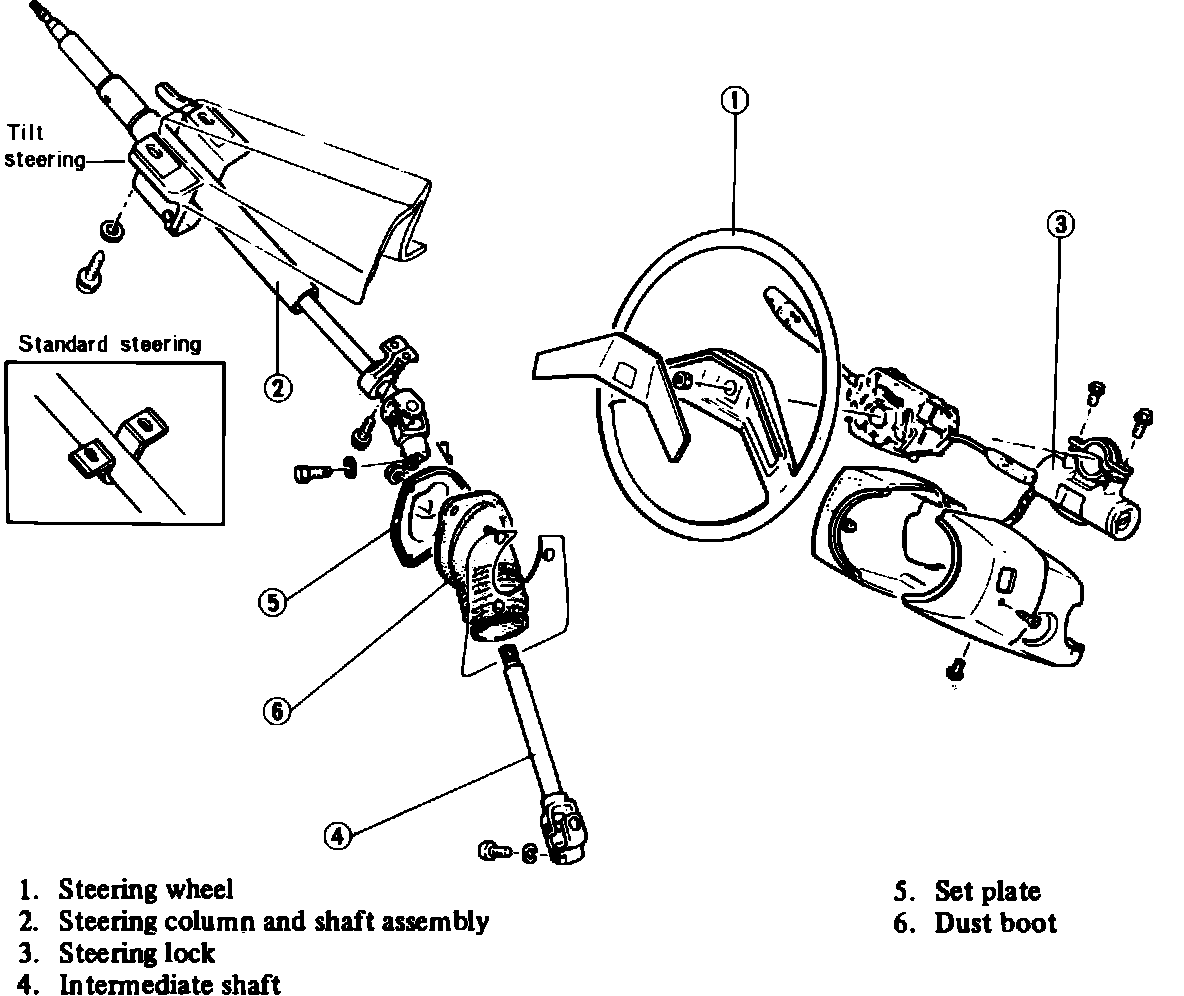
Steering Column

Fig. 1 Exploded view of steering column. 1984-85 GLC: