lemon-mirror:
Home >> Mazda >> 1982 >> GLC L4-1490cc 1.5L >> Repair and Diagnosis >> Diagrams >> Exploded Views >> Carburetor

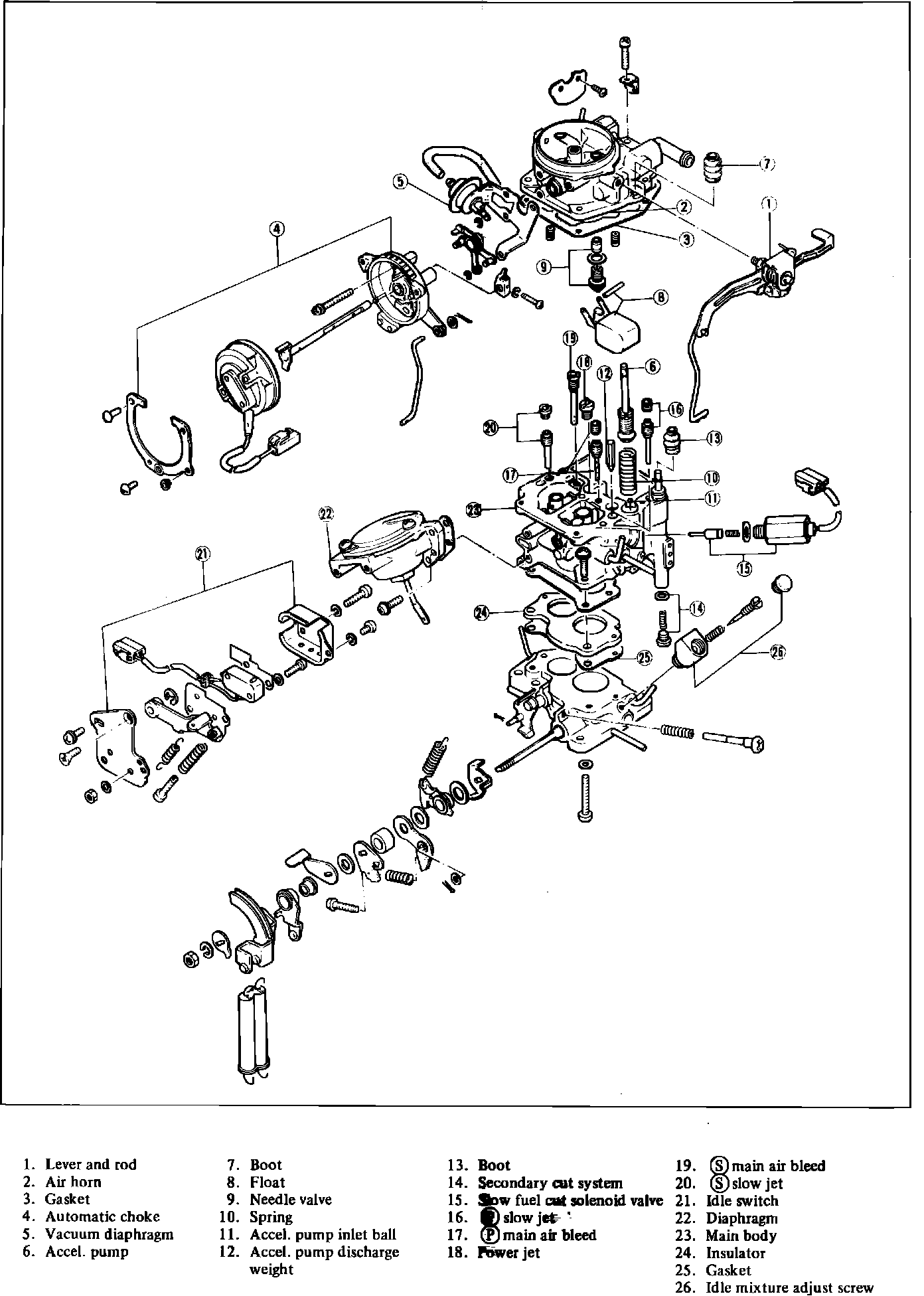
Carburetor

Fig. 1 Exploded View: