lemon-mirror:
Home >> Lincoln >> 2012 >> Navigator 2WD V8-5.4L >> Repair and Diagnosis >> Diagrams >> Exploded Views >> Intake Air Duct

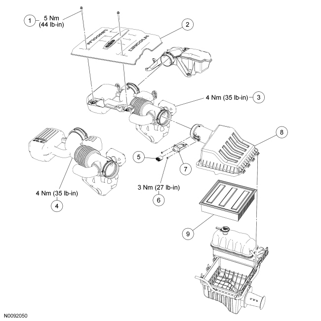
Intake Air Duct




Intake Air System Components - Exploded View