lemon-mirror:
Home >> Lincoln >> 2012 >> MKT FWD V6-3.7L >> Repair and Diagnosis >> Diagrams >> Exploded Views >> Suspension

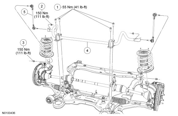
Suspension




Front Suspension - Exploded View