lemon-mirror:
Home >> Lincoln >> 2012 >> MKS AWD V6-3.5L Turbo >> Repair and Diagnosis >> Body and Frame >> Frame >> Subframe >> Front Subframe >> Service and Repair >> Subframe 3.5L Front

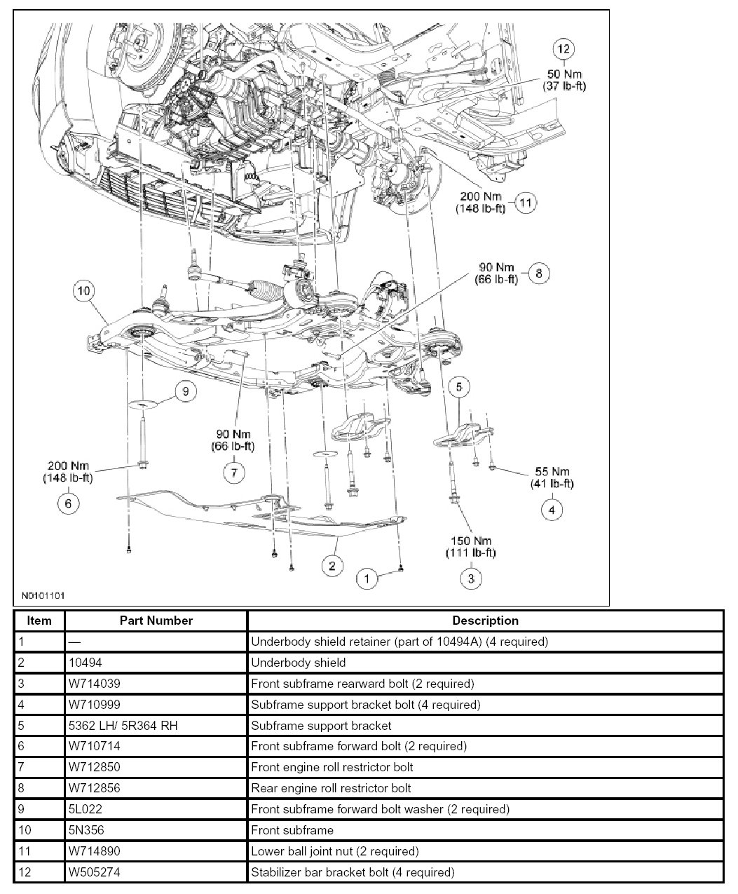
Subframe 3.5L Front



Subframe - Front







3.5L Gasoline Turbocharged Direct Injection (GTDI)







Removal

All vehicles

1. Remove the wheels and tires.

Vehicles equipped with Electronic Power Assist Steering (EPAS)

2. NOTE: Use a steering wheel holding device (such as Hunter(R) 28-75-1 or equivalent).

Using a suitable holding device, hold the steering wheel in the straight-ahead position.







3. Remove the 4 retainers and the underbody shield.







All vehicles

4. Remove the 2 RH lower pin-type retainers from the engine splash shield and position the shield aside.







Vehicles equipped with EPAS

5. Remove the RH and LH exhaust flexible pipes.

Vehicles equipped with Hydraulic Power Assist Steering (HPAS)

6. Remove the engine exhaust Y-pipe.
7. Remove and discard the stabilizer bar bracket-to-front subframe bolts.

Vehicles equipped with EPAS

8. NOTE: RH shown, LH similar.

Remove and discard the upper stabilizer link nuts.







All vehicles

9. NOTE:
- The hex-holding feature can be used to prevent turning of the stud while removing the nut.
- RH shown, LH similar.

Remove and discard the tie-rod end nuts.
- Separate the tie-rod ends from the wheel knuckles.







10. NOTICE:
- Suspension fasteners are critical parts because they affect performance of vital components and systems and their failure may result in major service expense. New parts must be installed with the same part number or equivalent part, if replacement is necessary. Do not use a replacement part of lesser quality or substitute design. Torque values must be used as specified during reassembly to make sure of correct retention of these parts.
- Use care when releasing the lower arm and knuckle into the resting position or damage to the ball joint seal or Constant Velocity (CV) boot may occur.

NOTE:
- Use the hex-holding feature to prevent the stud from turning while removing the nut.
- RH shown, LH similar.

Remove and discard the lower ball joint-to-wheel knuckle nuts.
- Separate the lower ball joints from the wheel knuckles.







Vehicles equipped with HPAS

11. Remove the 2 power steering line routing bolts.
12. Remove the power steering gear-to-front subframe bolts and nuts.
13. Support the power steering gear and stabilizer bar to the underbody of the vehicle with mechanic's wire.

Vehicles equipped with EPAS

14. Remove the bolt and disconnect the 2 Electronic Power Assist Steering (EPAS) electrical connectors (1 shown) and the wiring retainer (not shown).







15. NOTICE: Do not allow the steering column to rotate while the steering column shaft is disconnected from the steering gear or damage to the clockspring may occur. If there is evidence that the steering column has rotated, the clockspring must be removed and recentered.

Remove the bolt and disconnect the steering column shaft from the steering gear.
- Discard the bolt.







All vehicles

16. Remove the rear engine roll restrictor bolt.







17. Remove the front engine roll restrictor bolt.







18. Using a wax pencil (or equivalent) apply witness marks to the vehicle and subframe to aid in installation.
19. Position the Powertrain Lift under the subframe assembly.







20. NOTE: RH shown, LH similar.

Remove and discard the subframe bracket-to-body bolts.







21. NOTE: RH shown, LH similar.

Remove and discard the rear subframe bolts and remove the subframe brackets.







22. NOTE: RH shown, LH similar.

Remove and discard the front subframe bolts.







23. Lower the subframe assembly from the vehicle.

Installation

All vehicles

1. Using the Powertrain Lift, raise and align the subframe to the witness marks made during removal.







2. NOTE: RH shown, LH similar.

Install the 2 new front subframe bolts.
- Tighten to 200 Nm (148 lb-ft).







3. NOTE: RH shown, LH similar.

Position the subframe brackets and install the 4 new bolts finger-tight.







4. NOTE: RH shown, LH similar.

Install the 2 new rear subframe bolts.
- Tighten to 150 Nm (111 lb-ft).







5. NOTE: RH shown, LH similar.

Tighten the 4 new subframe bracket-to-body bolts to 55 Nm (41 lb-ft).







6. Install the front engine roll restrictor bolt.
- Tighten to 90 Nm (66 lb-ft).







7. Install the rear engine roll restrictor bolt.
- Tighten to 90 Nm (66 lb-ft).







Vehicles equipped with EPAS

8. NOTICE: Do not allow the intermediate shaft to rotate while it is disconnected from the gear or damage to the clockspring may occur. If there is evidence that the intermediate shaft has rotated, the clockspring must be removed and recentered.

Install the steering intermediate shaft onto the steering gear and install a new bolt.
- Tighten to 20 Nm (177 lb-in).







9. Connect the 2 EPAS electrical connectors (1 shown) and attach the wiring retainer (not shown) and install the bolt.
- Tighten to 9 Nm (80 lb-in).







All vehicles

10. NOTE: RH shown, LH similar.

Position the ball joints into the wheel knuckles. Install the new ball joint nuts.
- Tighten to 200 Nm (148 lb-ft).







11. NOTE:
- The hex-holding feature can be used to prevent turning of the stud while installing the nuts.
- RH shown, LH similar.

Install new tie-rod end nuts.
- Tighten to 150 Nm (111 lb-ft).







12. NOTE: RH shown, LH similar.

Install new upper stabilizer bar link nuts.
- Tighten to 150 Nm (111 lb-ft).







Vehicles equipped with HPAS

13. Remove the power steering gear support from the underbody of the vehicle.
14. Install the power steering gear-to-front subframe bolts and nuts.
- Tighten to 117 Nm (86 lb-ft).

15. Install the power steering line bolts.
- Tighten to 7 Nm (62 lb-in).

16. Install the new stabilizer bar bracket-to-front subframe bolts.
- Tighten to 50 Nm (37 lb-ft).

17. Install the engine exhaust Y-pipe.

Vehicles equipped with EPAS

18. Install the RH and LH exhaust flexible pipes.

All vehicles

19. Position the RH engine splash shield and install the 2 lower pin-type retainers.







Vehicles equipped with EPAS

20. Install the underbody shield and the 4 retainers.







All vehicles

21. Install the wheels and tires.