lemon-mirror:
Home >> Lincoln >> 2011 >> MKZ FWD V6-3.5L >> Repair and Diagnosis >> Diagrams >> Exploded Views >> Air Filter Element

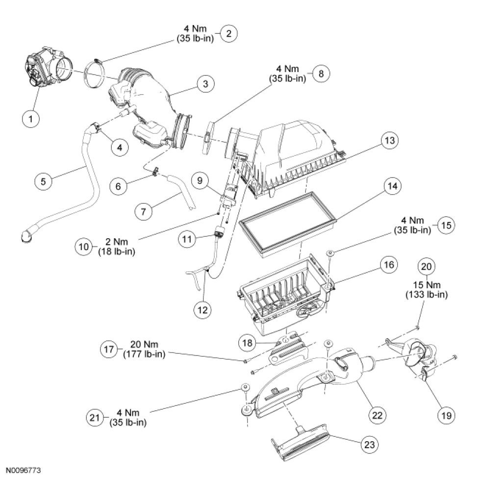
Air Filter Element




Intake Air System Components - Exploded View