lemon-mirror:
Home >> Lincoln >> 2011 >> MKZ FWD V6-3.5L >> Repair and Diagnosis >> Body and Frame >> Frame >> Subframe >> Front Subframe >> Service and Repair

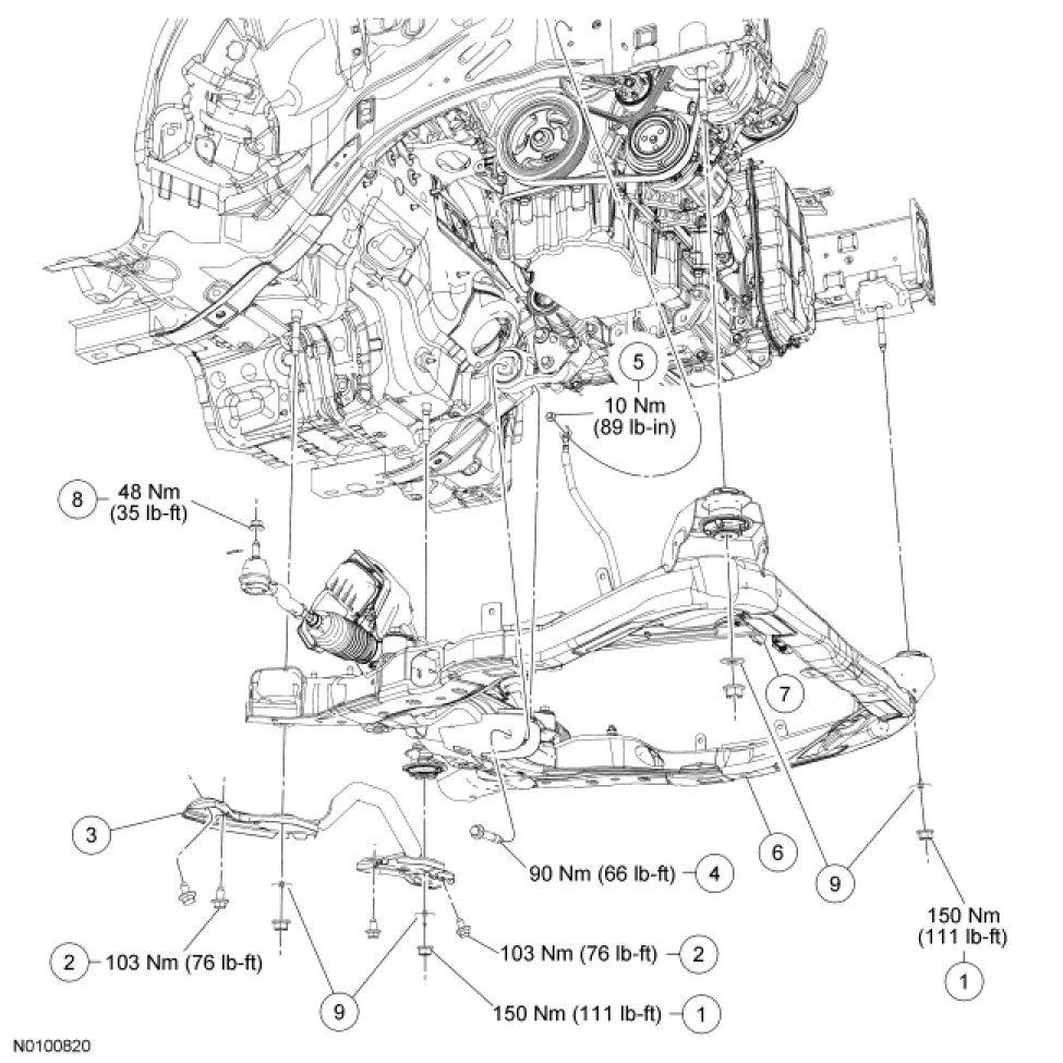
Front Subframe: Service and Repair




Subframe - Front





2.5L Hybrid









2.5L









3.0L









3.5L









Removal

All vehicles

1. With the vehicle in NEUTRAL, position it on a hoist.

Vehicles equipped with Electronic Power Assist Steering (EPAS)

2. NOTE: Use a steering wheel holding device (such as Hunter(R) 28-75-1 or equivalent).

Using a suitable holding device, hold the steering wheel in the straight-ahead position.





3. Remove the 2 lower steering column shaft joint cover nuts and the cover.

4. NOTICE: Do not allow the steering column to rotate while the steering column shaft is disconnected from the steering gear or damage to the clockspring may occur. If there is evidence that the steering column has rotated, the clockspring must be removed and recentered.

Remove the bolt and disconnect the steering column shaft from the steering gear.

- Discard the bolt.

5. NOTICE: Remove the steering gear/dash seal or damage to the seal may occur.

Remove the steering gear/dash seal.





All vehicles

6. Remove the wheels and tires.

7. Remove the bolts and the underbody shield, if equipped.





8. NOTE: RH side shown, LH side similar.

Remove the 4 screws from each side and position the RH and LH fender splash shields aside.





9. Remove the 6 pin-type retainers (4 shown) from the LH and RH splash shields.





2.5L Hybrid

10. Remove the Motor Electronics Cooling System (MECS) bolt and position the MECS aside.





Vehicles equipped with Hydraulic Power Assist Steering (HPAS)

11. Remove the 3 power steering return line bolts.





12. Remove the 3 steering gear mounting bolts.





13. NOTE: The steering gear is not removed with the front subframe and must be positioned aside.

Position the steering gear aside using mechanic's wire.

Vehicles equipped with EPAS

14. Remove the exhaust flexible pipe.

15. Disconnect the 2 front EPAS in-line electrical connectors and the 4 wiring retainers.





16. Remove the EPAS ground wire bolt.
- To install, tighten to 10 Nm (89 lb-in).





All vehicles

17. Remove the bolt from the roll restrictor.





18. Remove the 2 upper stabilizer bar link nuts (one each side) and separate from the stabilizer bar.





19. Remove the lower control arm-to-strut through bolts and flagnuts.





20. Remove the 2 outer tie-rod end cotter pins and nuts.
- Discard the cotter pins.

21. NOTICE: Do not use a hammer to separate the outer tie-rod end from the wheel knuckle or damage to the wheel knuckle may result.

Using the Ball Joint Separator, separate the outer tie-rod ends from the knuckle.





22. NOTE: Left side shown.

Remove the front lower arm-to-subframe bolts.

- Discard the bolts.





23. NOTE: Left side shown.

Remove the brake flexible hose bracket-to wheel knuckle bolts and position the hose and brackets aside.





24. NOTE: Left side shown.

NOTE: Apply the brake to keep the halfshaft from rotating.

Remove and discard the wheel hub nuts.





25. Using a wax pencil (or equivalent) apply witness marks to the vehicle and subframe to aid in installation.

26. Position the Powertrain Lift under the subframe.





27. Remove the 4 front subframe support bracket bolts.

28. Remove and discard the 4 front subframe nuts.

29. Partially lower the subframe.

30. NOTE: Left side shown.

Remove the rear lower arm-to subframe bolts.

- Discard the bolt and washer.





31. Using the Front Hub Remover, separate the halfshaft from the wheel hub.
- Using mechanics wire or equivalent, support the halfshaft.

- Repeat on the opposite side.





32. Position aside the lower control arms.

33. Lower the subframe from the vehicle.

Installation

All vehicles

1. Partially raise the subframe.

2. Position the halfshafts to the wheel hubs.

3. Position the lower control arms to the subframe.
- Loosely install new rear lower arm-to-subframe bolts.

4. Raise the subframe and align to the witness marks made during removal.

5. Install the 4 new front subframe nuts.
- Tighten to 150 Nm (111 lb-ft).

6. Install the 4 front subframe bracket bolts.
- Tighten to 103 Nm 76 lb-ft).

7. Remove the Powertrain Lift.

8. Using the Halfshaft Installer, in the halfshafts Into the wheel hubs.





9. NOTICE: Do not tighten the halfshaft nuts with the vehicle on the ground. The nuts must be tightened to specification before the vehicle Is lowered onto the wheels. Wheel bearing damage will occur If the wheel bearing Is loaded with the weight of the vehicle applied.

NOTE: Apply the brake to keep the halfshaft from rotating.

Install the wheel hub nuts.

- Tighten to 255 Nm (189 lb-ft).





10. Position the brake flexible hose and brackets and install the bolts.
- Tighten to 23 Nm (17 lb-ft).





11. Before tightening any suspension busing fasteners, the suspension must be at 402 mm (15.826 in) between the center of the hub and the lip of the fender. This will prevent incorrect clamp load and bushing damage.
- Use a suitable jack to raise the suspension to specification.





12. Tighten the front lower arm-to-subframe bolts.

1. Tighten to 110 Nm (81 lb-ft).

2. Tighten an additional 90° with the suspension at the bushing fastener tightening position.

13. Tighten the rear lower arm-to-subframe bolts to 110 Nm (81 lb-ft).

14. Install the outer tie-rod ends to the control arms.

1. Position to the wheel hubs.

2. Install the nuts.

3. Tighten to 48 Nm (35 lb-ft).

4. Install new cotter pins.





15. Install the lower control arm-to-strut through bolts and flagnuts.
- Tighten to 103 Nm (76 lb-ft).





16. Position the stabilizer bar links and install the nuts.
- Tighten to 42 Nm (31 lb-ft).





17. Install the roll restrictor bolt.
- Tighten to 90 Nm (66 lb-ft).





Vehicles equipped with EPAS

18. Install the EPAS ground wire and bolt.
- Tighten to 10 Nm (89 lb-in).





19. Connect the 2 front EPAS in-line electrical connectors and the 4 wiring retainers.





20. Install the exhaust flexible pipe.

Vehicles equipped with HPAS

21. Position the steering gear.

1. Install the 3 steering gear mounting bolts.

2. Tighten to 107 Nm (79 lb-ft).





22. Install the 3 power steering return line bolts.
- Tighten to 9 Nm (80 lb-in).





2.5L Hybrid

23. Install the MECS and bolt.
- Tighten to 10 Nm (89 lb-in).





All vehicles

24. NOTE: RH side shown, LH side similar.

Position the LH and RH fender splash shields and Install the screws.





25. Install the LH and RH splash shields and pin-type retainers 6 each side, 4 shown).





26. Install the underbody shield and bolts (if equipped).
- Tighten to 7 Nm (62 lb-in).





27. Install the wheels and tires.

Vehicles equipped with EPAS

28. NOTICE: The steering gear/dash seal must be fully seated In the steering valve tower groove before the retaining clips are fully engaged Into the body. If the steering gear/dash seal Is not seated to the steering gear valve tower groove and the clips are not fully engaged to the body, water and foreign material may enter the passenger compartment and damage the vehicle Interior.

Install the steering gear/dash seal.

- To install, apply hand force to the center of the seal, install the steering gear/dash seal onto the steering gear valve tower until fully seated In the valve tower groove. Install the steering gear/dash seal until the clips are fully engaged Into the body.





29. Position the steering column shaft to the steering gear.
- Install a new steering column shaft bolt.

- Tighten to 20 Nm (15 lb-ft).

30. Install the steering column shaft joint cover and nuts.

31. Remove the steering wheel holding device.