lemon-mirror:
Home >> Lincoln >> 2011 >> MKT FWD V6-3.7L >> Repair and Diagnosis >> Maintenance >> Alignment >> Service and Repair >> Ride Height Measurement

Ride Height Measurement




Ride Height Measurement

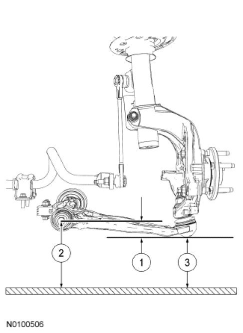
Front Ride Height Measurement









NOTE: Make sure that the vehicle is positioned on a flat, level surface and the tires are inflated to the correct pressure. The vehicle should have a full tank of fuel.

1. Position a suitable surface gauge (such as Starrett 57D Surface Gauge) on a flat, level surface, adjust the gauge's arm until the scriber point is located in the center of the forward lower arm bolt.
- Lock the surface gauge in this position.





2. With the surface gauge positioned on a flat, level surface, record the measurement of the surface gauge position (measurement 2).





3. Position the surface gauge on the same flat, level surface and adjust the gauge's arm until the scriber point is located on the lowest and furthest inboard point of the lower ball joint.
- Lock the surface gauge in this position.





4. With the surface gauge positioned on a flat, level surface, record the measurement of the surface gauge position (measurement 3).





5. Subtract measurement 3 from measurement 2 to obtain the front ride height.
- Refer to Specifications.

Rear Ride Height Measurement









NOTE: Make sure that the vehicle is positioned on a flat, level surface and the tires are inflated to the correct pressure. The vehicle should have a full tank of fuel.

1. Measure the distance between the flat level surface and the center of the lower control arm-to-subframe bolt (measurement 2).

2. Measure the distance between the same flat level surface and the center of the lower arm-to-knuckle bolt (measurement 3).

3. Subtract measurement 3 from measurement 2 to obtain the rear ride height.
- Refer to Specifications.