lemon-mirror:
Home >> Lincoln >> 2011 >> MKS FWD V6-3.7L >> Repair and Diagnosis >> Diagrams >> Exploded Views >> Suspension

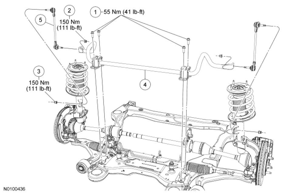
Suspension




Front Suspension - Exploded View