lemon-mirror:
Home >> Lincoln >> 2009 >> MKX FWD V6-3.5L >> Repair and Diagnosis >> Diagrams >> Exploded Views >> Exhaust System

Exhaust System




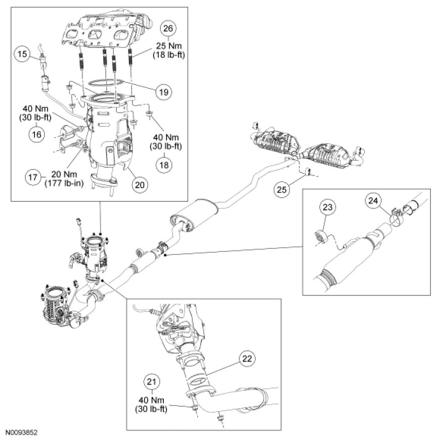
Exhaust System - Exploded View



LH Catalytic Converter and Y-Pipe











RH Catalytic Converter and Exhaust Flexible Pipe











Engine Roll Restrictor, Heat Shield and Driveshaft









1. For additional information, refer to the procedures.