lemon-mirror:
Home >> Lincoln >> 2009 >> MKX FWD V6-3.5L >> Repair and Diagnosis >> Body and Frame >> Frame >> Subframe >> Front Subframe >> Service and Repair

Front Subframe: Service and Repair




Subframe - Front


Special Tool(s):






Removal and Installation


Subframe - Front (Part 1):






Subframe - Front (Part 2):






NOTICE: Suspension and subframe fasteners are critical parts because they affect performance of vital parts and systems and their failure may result in major service expense. A new part with the same part number must be installed if installation becomes necessary. Do not use a replacement part of lesser quality or substitute design. Torque values must be used as specified during reassembly to make sure of correct retention of these parts.

1. With a wax pencil, mark the relationship of the front subframe to the underbody at the mounting locations.







2. Remove the RH splash shield.







3. Remove the 3 pushpin fasteners, the 7 screws and the front splash shield.







4. Remove the 3 RH subframe-to-lower bumper nuts.
- To install, tighten to 9 Nm (80 lb-in).







5. Remove the 3 LH subframe-to-lower bumper nuts and separate the lower bumper from the subframe.
- To install, tighten to 9 Nm (80 lb-in).







6. Remove the 3 power steering tube bracket bolts from the RH side of the subframe and position the power steering tube aside.
- To install, tighten to 9 Nm (80 lb-in).







7. NOTE:
- Use the holding feature to prevent the ball stud from turning while removing or installing the stabilizer bar link nut.
- RH side shown, LH side similar.

Remove the 2 stabilizer bar link-to-control arm nuts (1 each side) and separate the stabilizer bar links from the lower control arms.
- Discard the nuts.
- To install, tighten to 90 Nm (66 lb-ft).







8. NOTE: RH side shown, LH side similar.

Remove the lower control arm-to-knuckle pinch bolts and separate the lower control arms from the knuckles.
- Discard the bolts.
- To install, tighten to 55 Nm (41 lb-ft).







9. Loosen the Y-pipe clamp and disconnect the 2 exhaust hangers.
- To install, tighten to 40 Nm (30 lb-ft).







10. Remove the 4 nuts and the Y-pipe assembly.
- To install, tighten to 40 Nm (30 lb-ft).







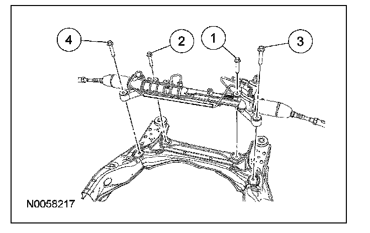
11. NOTE: The steering gear is not removed with the front subframe and must be positioned aside.

Position the steering gear aside using mechanic's wire.

Remove the 4 bolts and position the steering rack aside using a suitable length of mechanic's wire.
- Discard the bolts.
- To install, tighten the steering gear bolts in the sequence shown.
- To install, tighten to 103 Nm (76 lb-ft).







12. Remove the 4 bolts and position the stabilizer bar aside using a suitable length of mechanic's wire.
- Discard the bolts.
- To install, tighten to 63 Nm (46 lb-ft).







13. Remove the nuts and the roll restrictor heat shield.
- To install, tighten to 11 Nm (97 lb-in).







14. Remove the 3 bolts from the roll restrictor bracket.
- To install, tighten to 90 Nm (66 lb-ft).







15. Position the lift table under the subframe.







16. NOTE:
- Align the front subframe index marks to the body index marks made during removal.
- During installation, the subframe brackets are loosely installed with the support bracket bolts. Tighten the rear subframe nuts prior to tightening the support bracket bolts.

Remove the 2 nuts, 4 bolts and the subframe support brackets.
- Discard the nuts and bolts.
- To install, tighten the nuts to 133 Nm (98 lb-ft).
- To install, tighten the bolts to 90 Nm (66 lb-ft).







17. Remove the 2 front subframe nuts.
- Discard the nuts.
- To install, tighten to 133 Nm (98 lb-ft).







18. Remove the 2 middle subframe nuts and remove the subframe.
- Discard the nuts.
- To install, tighten to 133 Nm (98 lb-ft).







19. Transfer the components as necessary.
20. To install, reverse the removal procedure.