lemon-mirror:
Home >> Lincoln >> 2006 >> LS V8-3.9L VIN A >> Repair and Diagnosis >> Specifications >> Mechanical Specifications >> Engine >> Timing Components >> System Specifications

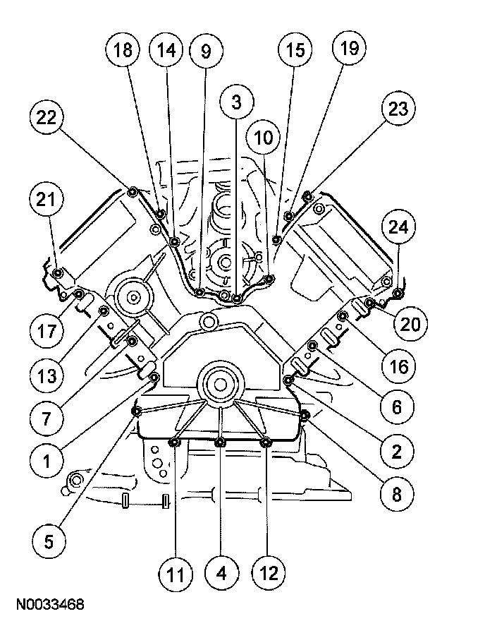
System Specifications





Engine front cover bolts
First pass 5 Nm (44 inch lbs.)
Final pass 10 Nm (89 inch lbs.)

Crankshaft Pulley Bolt

Remove and discard the bolt and washer.

First pass Tighten to 80 Nm (59 ft. lbs.)
Second pass Loosen 2 complete turns
Third pass Tighten to 50 Nm (37 ft. lbs.)
Final pass Tighten 90°