lemon-mirror:
Home >> Lincoln >> 2006 >> LS V8-3.9L VIN A >> Repair and Diagnosis >> Diagrams >> Exploded Views >> Engine >> Engine Lubrication

Engine Lubrication

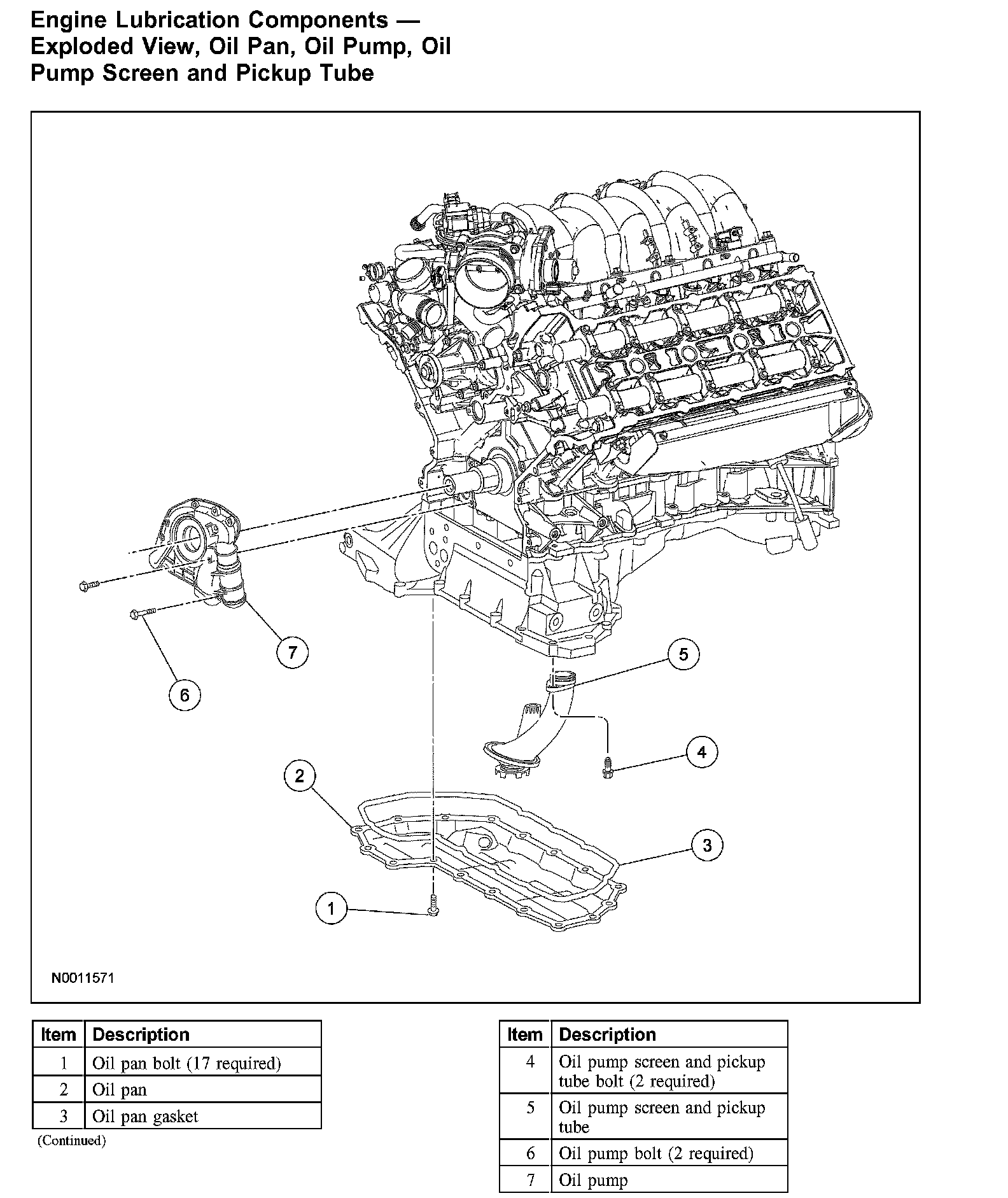
Engine Lubrication Components - Exploded View, Oil Pan, Oil Pump, Oil Pump Screen and Pickup Tube

Engine Lubrication Components - Exploded View, Oil Pan, Oil Pump, Oil Pump Screen and Pickup Tube: